Three Phase Inverter

Description of the Three Phase (two level) Inverter component in Schematic Editor

Figure 1. Component Icon

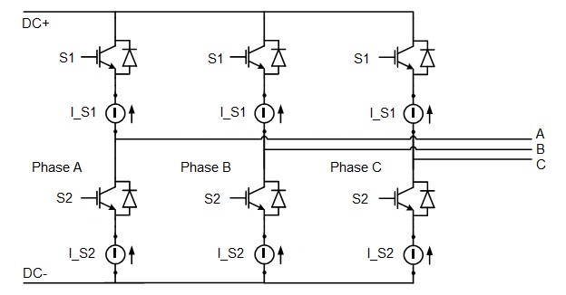
Schematic Block Diagram

A schematic block diagram of the inverter switching block is given in Figure 2.

Weight of Three Phase Inverter component for real-time simulation is 3.

Figure 2. A schematic block diagram of a three-phase inverter block with corresponding switch naming

Control

Selecting Digital input per switch as the Control parameter enables assigning gate drive inputs to any of the digital input pins (from 1 to 32(64)). For example, if Phase A S1 is assigned to 1, the digital input pin 1 will be routed to the Phase A S1 switch gate drive. In addition, the gate_logic parameter selects either active high (High-level input voltage VIH turns on the switch), or active low (Low-level input voltage VIL turns on the switch) gate drive logic, depending on the external controller design. In TyphoonSim, digital signals are read from the internal virtual IO bus. Hence, if some signal is sent to digital ouput 1, it will appear on digital input 1.

Selecting Internal modulator as the Control parameter enables use of the internal PWM modulator for driving Phase A S1, Phase A S2, Phase B S1, Phase B S2, Phase C S1, and Phase C S2 switches instead of the digital input pins. In this configuration, four additional component inputs will be present. En input is used to enable/disable the internal PWM modulator, while InA, InB, and InC are used as reference signal inputs.

Selecting Digital input per leg as the Control parameter enables assigning the leg drive input to any of the digital input pins (from 1 to 32(64)). For example, if Phase A S1 is assigned to 1, the digital input pin 1 will be routed through internal dead time module, to the Phase A S1 and Phase A S2 switch gate drives.

Selecting Model as the Control parameter enables setting the IGBTs' gate drive signals directly from the signal processing model. The input pin gates appears on the component and requires a vector input of six gate drive signals in the following order: [Phase A S1, Phase A S2, Phase B S1, Phase B S2, Phase C S1, Phase C S2]. When controlled from the model, logic is always active high.

DTV detection: when enabled, DTV detection will be signaled during simulation runtime.
Feature Ignored: DTV detection is not supported in TyphoonSim yet and changing its value will not affect the simulation at all.
Note: An interactive overview of how you can use DTV detection in your model is available as part of the HIL for Power Electronics course on HIL Academy, as well as in the video Knowledgebase.

Timing

When Enable delays is enabled, turn on and turn off delay of the IGBTs will be included in the simulation. More information about this feature can be found on the dedicated switching delay section.

Feature ignored: Gate signal delays on this component are not supported in TyphoonSim yet and changing its value will not affect the simulation at all.
Note: An interactive overview of how you can use switching delays in your model is available as part of the HIL for Power Electronics course on HIL Academy, as well as in the video Knowledgebase.

Losses calculation

When the Losses calculation property is enabled, the component will calculate switching and conduction power losses for all switching elements (IGBTs and Diodes or MOSFETs). Losses data can be loaded from a standardized xml file, or defined manually by the user. In the case of MOSFET switching elements, the Diode characteristic represents an internal MOSFET body diode. When loaded manually, switching power losses are calculated as a function of current, voltage, and temperature using 3D Look-up tables (LUTs). Also, 2D input for losses is supported. When a 2D losses table is inserted, it assumes only current and temperature dependance. Conduction power losses can be defined as a function of current and temperature using Vt and Vd Look-up tables. These LUTs can be either 1D or 2D. If the LUT is a 1D table, the forward voltage drop depends only on current. If the LUT is a 2D table, the forward voltage drop dependence on the junction temperature is included.

In the MOSFET case under reverse current conduction, the current sharing calculation between the MOSFET channel and the internal body diode is performed. Import options and an explanation of how to correctly fill in all the necessary power loss parameters is described in the Importing power losses data section.

Note: An interactive overview of how you can incorporate power loss calculation in your model is available as part of the HIL for Power Electronics course on HIL Academy, as well as in the video Knowledgebase.

Input/output power losses ports receive/generate vectors of twelve elements in the case of an IGBT switch type. The first element (index 0) is the upper IGBT in phase A, the second element (index 1) is the upper IGBT's diode in phase A. The next two elements are the phase A bottom IGBT and its diode, respectively. The 5th through 8th elements follow this same pattern for phase B, as do the 9th through 12th elements for phase C. In the case of MOSFET switch types, power losses ports receive/generate vectors of six elements. The first element (index 0) is the upper MOSFET and the second element (index 1) is the bottom MOSFET. The 3rd and 4th elements in the array follow this pattern for phase B, as do the 5th and 6th elements for phase C.

Available mask properties are:

  • Load data from - property to select losses data load source. Available options are User tables and Xml files
  • Switch type - property to select semiconductor type. Available options are IGBT and MOSFET.
  • Current values - Switching elements current axis [A]
  • Voltage values - Switching elements switching losses, voltage axis [V]
  • Temp values - Switching elements temperature axis [°C]
  • Vt table - Switch forward voltage drop, f(I,T) [V]
  • Vd table - Diode forward voltage drop, f(I,T) [V]
  • Et on table out - Switch switching ON losses, output energy, f(I, V, T) [J]
  • Et off table out - Switch switching OFF losses, output energy, f(I, V, T) [J]
  • Ed off table out - Diode switching OFF losses, output energy, f(I, V, T) [J]

Forward voltage drop

When Forward voltage drop property is enabled, forward voltage drop will be inserted in the model, forward voltage drop of a semiconductor is modeled. It is represented by a variable voltage source in series ideal switch. Forward voltage drop parameters for the switch and its diode are specified independently. Forward voltage drop can be defined in two ways:

  1. based on look up tables as a function of current and temperature. These LUTs can be 1D or 2D tables. If LUT is 1D table, forward voltage drop depends only on current. If LUT is 2D table, forward voltage drop depends also on temperature. Import options and explanation how to correctly fill all necessary power losses parameters are described in Importing power losses data.

In this case, an additional port will be present (T_junctions). It is necessary to connect junction temperatures to this port. If Temperature calculation is also enabled, the T_junctions port will be replaced with the T_cases port.

Note: An interactive overview of how you can integrate forward voltage drop in your model is available as part of the HIL for Power Electronics course on HIL Academy, as well as in the video Knowledgebase.

For IGBT switches, the input values for FVD are vectors of twelve elements. The first element (index 0) is the upper IGBT in phase A, the second element (index 1) is the upper IGBT's diode in phase A. The next two elements are the phase A bottom IGBT and its diode, respectively. The 5th through 8th elements follow this same pattern for phase B, as do the 9th through 12th elements for phase C. In the case of MOSFET switch types, input port for FVD receives vector of six elements. The first element (index 0) is the upper MOSFET and the second element (index 1) is the bottom MOSFET. The 3rd and 4th elements in the array follow this pattern for phase B, as do the 5th and 6th elements for phase C.

Available mask properties are:

  • Switch type - property to select semiconductor type. Available options are IGBT and MOSFET.
  • Current values - Switching elements current axis [A]
  • Temp values - Switching elements temperature axis [°C]
  • Vt table - Switch forward voltage drop, f(I,T) [V]
  • Vd table - Diode forward voltage drop, f(I,T) [V]
Feature Not Supported: Forward voltage drop is not supported in TyphoonSim yet.

Temperatures calculation

When the Temperatures calculation property is enabled, the component will calculate the combined power losses (P_loss) and junction temperatures (T_junctions) for all switching elements (IGBTs and diodes). Combined power losses represent the sum of the calculated switching and conduction losses transferred through an internally generated Thermal network component. The internally generated Thermal network component also calculates junction temperatures from power losses, input cases temperatures and provided thermal model parameters. Input/output ports for temperatures calculation are vectors of twelve elements and they are indexed in the same way as explained in the Losses calculation section.

Note: An interactive overview of how you can incorporate temperature calculation in your model is available as part of the HIL for Power Electronics course on HIL Academy, as well as in the video Knowledgebase.

Additional temperatures calculation mask properties are:

  • Thermal networks type - Defines type of internal thermal network
  • Rth switch - List of thermal resistance for the IGBT switch
  • Tth switch / Cth switch - List of thermal time constants or thermal capacitances for the IGBT switch
  • Rth diode - List of thermal resistance for diode
  • Tth diode / Cth diode - List of thermal time constants or thermal capacitances for diode
  • Calculations execution rate - Execution rate in [s] for the losses and temperatures calculation logic

Output Voltage Comparator

Output Voltage Comparator signals are available in the digital signal list of models that contain Three Phase Inverter components. One such signal is generated for each Half Bridge used in the model, under the name "component_name.Phase X.vout_cmp", where component_name is the Three Phase Inverter's component name in Schematic Editor, and x is the designator of a particular phase (A, B or C).

Figure 3. Three Phase Inverter Output Voltage Comparator Digital Signals

Vout comparator pull-up mode property defines the operating mode of the output voltage comparator logic. For more information refer to Output Voltage Comparator.

Vout comparator timeout property defines the time period after which the logic switches into coasting mode. This feature is used to minimize output latency. For optimal performance, the timeout should be set to a value that is slightly higher than the maximum expected dead time. For more information refer to Output Voltage Comparator

Feature Not Supported: Output voltage comparator signal is not supported in TyphoonSim yet, hence this signal will be zeroed.

PESB Optimization

The PESB Optimization option is available in certain converter models. When PESB Optimization is enabled, all converter's short circuit state space modes will be merged and treated as the same state space mode. For example, if one converter leg within the three phase converter is short circuited and PESB Optimization is enabled, all of the legs within the three phase converter will also be short circuited. This simplification for short circuit modeling can save a significant amount of matrix memory.

Feature ignored: PESB Optimization is specific for optimization of real-time simulation and it is not applied to TyphoonSim at all. Changing its value will not affect TyphoonSim simulation at all.

Digital Alias

If a converter is controlled by digital inputs, an alias for every digital input used by the converter will be created. Digital input aliases will be available under the Digital inputs list alongside existing Digital input signals. The alias will be shown as Converter_name.Switch_name, where Converter_name is name of the converter component and Switch_name is name of the controllable switch in the converter.

Ports

  • DC+ (electrical)
    • DC side + port.
  • DC- (electrical)
    • DC side - port.
  • A (electrical)
    • AC side port - phase A
  • B (electrical)
    • AC side port - phase B
  • C (electrical)
    • AC side port - phase C
  • gates (in)
    • Available if model control is selected
    • Vector of 6 input gate signals for switches
  • En (in)
    • Available if Internal modulator control is selected
    • Used to enable/disable internal modulator
  • In A (in)
    • Available if Internal modulator control is selected
    • Used to specify modulation signal value for internal modulator phase A
  • In B (in)
    • Available if Internal modulator control is selected
    • Used to specify modulation signal value for internal modulator phase B
  • In C (in)
    • Available if Internal modulator control is selected
    • Used to specify modulation signal value for internal modulator phase C
  • Freq (in)
    • Available if Internal modulator control is selected and Variable carrier frequency is selected as the modulator's operation mode
    • Used to specify modulator's carrier frequency
  • T_junctions (in)
    • Available if Losses calculation or Forward voltage drop is enabled and Temperature calculation is disabled
    • Used to provide junction temperatures for switch losses calculations
    • If the switch type is IGBT, then T_junctions consists of 12 temperature values, one for every switch and diode
    • If the switch type is MOSFET, then T_junctions consists of 6 temperature values (MOSFET and body diode are having the same temperature)
  • T_cases (in)
    • Available if both Losses and Temparature calculation are enabled
    • Used to provide case temperatures for the thermal model
    • If switch type is IGBT, then T_junctions consists of 12 temperature values, one for every switch and diode
    • If switch type is MOSFET, then T_junctions consists of 6 temperature values (MOSFET and the body diode have the same temperature)
  • cond_losses (out)
    • Available if Losses calculation is enabled and Temperature calculation is disabled
    • Represents conduction losses of the switching elements
    • If the switch type is IGBT, then cond_losses consists of 12 values; Otherwise, it consists of 6 values
  • sw_losses (out)
    • Available if Losses calculation is enabled and Temperature calculation is disabled
    • Represents switching losses of the switching elements
    • If the switch type is IGBT, then sw_losses consists of 12 values; otherwise, it consists of 6 values
  • P_loss (out)
    • Available if both Losses and Temparature calculation are enabled
    • Represents sum of conduction and switching losses of the switching elements
    • If the switch type is IGBT, then P_loss consists of 12 values; otherwise, it consists of 6 values
  • T_junctions (out)
    • Available if both Losses and Temparature calculation are enabled. In this case T_junctions is an output since the case thermal model is inside the component and case temperatures are provided as an input to the component.
    • Represents the junction temperatures of the switching elements
    • If the switch type is IGBT, then T_junctions consists of 12 values; otherwise, it consists of 6 values

General (Tab)

  • Control
    • Specifies how switches are controled. It is possible to choose between: Digital input per swich, Digital input per leg, Internal modulator, and Model
    • More details about each type of control can be found in the Control section
  • If Digital input per switch is selected as Control, the following properties can be used:
    • Phase A S1
      • Digital input that is used to control phase A S1 switch
    • Phase A S1 logic
      • Logic that will be applied to control signal for phase A S1
      • Active high or active low
    • Phase A S2
      • Digital input that is used to control phase A S2 switch
    • Phase A S2 logic
      • Logic that will be applied to control signal for phase A S2
      • Active high or active low
    • Phase B S1
      • Digital input that is used to control phase B S1 switch
    • Phase B S1 logic
      • Logic that will be applied to control signal for phase B S1
      • Active high or active low
    • Phase B S2
      • Digital input that is used to control Phase B S2 switch
    • Phase B S2 logic
      • Logic that will be applied to control signal for phase B S2
      • Active high or active low
    • Phase C S1
      • Digital input that is used to control phase C S1 switch
    • Phase C S1 logic
      • Logic that will be applied to control signal for phase C S1
      • Active high or active low
    • Phase C S2
      • Digital input that is used to control Phase C S2 switch
    • Phase C S2 logic
      • Logic that will be applied to control signal for phase C S2
      • Active high or active low
    • Switching enabled
      • If enabled, gives a possibility to control if changes in the gate control signal are applied or not
    • Sen
      • Available if Gate control enabling is enabled
      • Digital input that enables/disables switching
    • Sen_logic
      • Available if Gate control enabling is enabled
      • Logic that will be applied to Sen signal
  • If Digital input per leg is selected as Control, the following properties can be used:
    • Phase A S1
      • Digital input that is used to control phase A S1 switch
    • Phase A S1_logic
      • Logic that will be applied to control signal for phase A S1
      • Active high or active low
    • Phase B S1
      • Digital input that is used to control for phase B S1 switch
    • Phase B S1_logic
      • Logic that will be applied to control signal for phase B S1
      • Active high or active low
    • Phase C S1
      • Digital input that is used to control for phase C S1 switch
    • Phase C S1_logic
      • Logic that will be applied to control signal for phase C S1
      • Active high or active low
    • Dead time period
      • Specifies the dead time period that will be generated between two gate signals
    • Switching enabled
      • If enabled, gives the possibility to control if changes in the gate control signal are applied or not
    • Sen
      • Available if Gate control enabling is enabled
      • Digital input that enables/disables switching
    • Sen_logic
      • Available if Gate control enabling is enabled
      • Logic that will be applied to the Sen signal
  • If Model is selected as Control, the following properties can be used:
    • Execution rate
      • Defines the period between two updates of gate signals for the component. Gate signals are provided as a signal processing input to component
  • If Internal modulator is selected as Control, the following properties can be used:
    • Operation mode
      • Specifies the source of the internal modulator carrier frequency
      • If Operation mode is Fixed carrier frequency, then the frequency can be specified on the component properties
      • If Operation mode is Variable carrier frequency, then the frequency can be specified using a signal processing port
    • Carrier frequency (Hz)
      • Available if the Operation mode is a Fixed carrier frequency
      • Specifies the internal modulator's carrier frequency
    • Carrier phase offset
      • Specifies the internal modulator's carrier phase offset in degrees.
    • Dead time
      • Specifies dead time for the internal modulator in seconds
    • Reference signal [min, max]
      • Specifies carrier signal minimal and maximal value
      • Vector containing two values: the minimal carrier signal value, followed by the maximal carrier signal value
    • Load mode
      • Specifies on which event the new value of the modulation signal will be applied in the internal modulator
        • If on min is selected, new value will be applied when carrier reaches minimal value
        • If on max is selected, new value will be applied when carrier reaches maximal value
        • If on either is selected, new value will be applied when carrier reaches minimal or maximal value
  • DTV detection
    • DTV detection is not supported in TyphoonSim yet and changing its value will not affect TyphoonSim simulation at all.
    • Enables/disables dead time violation detection.
    • DTV flag is available in HIL SCADA.

Measurements (Tab)

  • Phase A S1: I
    • Not supported in TyphoonSim yet, hence this signal will be zeroed. Enabling this signal will not affect TyphoonSim simulation at all.
    • Enables internal current measurement for switch S1 in Phase A. The signal becomes available in the signals list
  • Phase A S2: I
    • Not supported in TyphoonSim yet, hence this signal will be zeroed. Enabling this signal will not affect TyphoonSim simulation at all.
    • Enables internal current measurement for switch S2 in Phase A. The signal becomes available in the signals list
  • Phase B S1: I
    • Not supported in TyphoonSim yet, hence this signal will be zeroed. Enabling this signal will not affect TyphoonSim simulation at all.
    • Enables internal current measurement for switch S1 in Phase B. The signal becomes available in the signals list
  • Phase B S2: I
    • Not supported in TyphoonSim yet, hence this signal will be zeroed. Enabling this signal will not affect TyphoonSim simulation at all.
    • Enables internal current measurement for switch S2 in Phase B. The signal becomes available in the signals list
  • Phase C S1: I
    • Not supported in TyphoonSim yet, hence this signal will be zeroed. Enabling this signal will not affect TyphoonSim simulation at all.
    • Enables internal current measurement for switch S1 in Phase C. The signal becomes available in the signals list
  • Phase C S2: I
    • Not supported in TyphoonSim yet, hence this signal will be zeroed. Enabling this signal will not affect TyphoonSim simulation at all.
    • Enables internal current measurement for switch S2 in Phase C. The signal becomes available in the signals list

Timing (Tab)

  • Enable delays
    • Not supported in TyphoonSim yet, hence this signal will be zeroed. Enabling this signal will not affect TyphoonSim simulation at all.
    • Enables delays for turn on and off events
  • Turn on delay
    • Specifies the delay that is applied to turn on events
  • Turn off delay
    • Specifies the delay that is applied to turn off events
      • Vector consisting of current values and corresponding turn off delay. Every current value must be followed by the expected turn off delay.

Losses (Tab)

  • Forward voltage drop
    • Forward voltage drop is not supported in TyphoonSim yet.
    • Enables/disables forward voltage drop in converter. More information can be found in the Forward voltage drop section.
  • Losses calculation
    • Enables/disables losses calculation for converter. More details can be found in the Losses calculation section.
  • Load data from
    • Available if Losses calculation or Forward voltage drop is enabled
    • Used to select the source of losses data: user tables or standardized xml files. More information about loading losses data can be found in Import power losses data from XML files
  • Switch type
    • Available if Losses calculation is enabled
    • Specifies switch type: MOSFET or IGBT
  • Switch xml file
    • Available if Losses calculation or Forward voltage drop is enabled and Load data from is set to Xml files
    • Used to load losses data for a switch from an xml file. More information about supported file formats can be found in the Forward voltage drop and Losses calculation sections.
  • Diode xml file
    • Available if Losses calculation or Forward voltage drop is enabled and Load data from is set to Xml files
    • Used to load losses data for the diode from an xml file. More information about supported file formats can be found in the Forward voltage drop and Losses calculation sections.
  • Current values
    • Available if Losses calculation or Forward voltage drop is enabled and Load data from is set to User tables
    • Vector of current values that are used to specify converter losses at specific points.
    • Up to THCC 2026.1 property would be filled automatically after selecting the xml files
    • After THCC 2026.1, if the xml files are in Table only format and are loaded, the property can be set by pressing the Import losses data from xml files
  • Voltage values
    • Available if Losses calculation or Forward voltage drop is enabled and Load data from is set to User tables
    • Vector of voltage values that are used to specify converter losses at specific points.
    • Up to THCC 2026.1 property would be filled automatically after selecting the xml files
    • After THCC 2026.1, if the xml files are in Table only format and are loaded, the property can be set by pressing the Import losses data from xml files
  • Temp Values
    • Available if Losses calculation or Forward voltage drop is enabled and Load data from is set to User tables
    • Vector of temperature values that are used to specify converter losses at specific points.
    • Up to THCC 2026.1 property would be filled automatically after selecting the xml files
    • After THCC 2026.1, if the xml files are in Table only format and are loaded, the property can be set by pressing the Import losses data from xml files
  • Vt table
    • Available if Losses calculation or Forward voltage drop is enabled and Load data from is set to User tables
    • 2D look up table for switch conduction voltage drop values.
    • Up to THCC 2026.1 property would be filled automatically after selecting the xml files
    • After THCC 2026.1, if the xml files are in Table only format and are loaded, the property can be set by pressing the Import losses data from xml files
    • More information about table formats can be found in the Losses calculation section.
  • Vd table
    • Available if Losses calculation or Forward voltage drop is enabled and Load data from is set to User tables
    • 2D look up table for diode conduction voltage drop values.
    • Up to THCC 2026.1 property would be filled automatically after selecting the xml files
    • After THCC 2026.1, if the xml files are in Table only format and are loaded, the property can be set by pressing the Import losses data from xml files
    • More information about table formats can be found in the Losses calculation section.
  • Et on table
    • Available if Losses calculation is enabled and Load data from is set to User tables
    • 3D look up table for switch turn on switching losses.
    • Up to THCC 2026.1 property would be filled automatically after selecting the xml files
    • After THCC 2026.1, if the xml files are in Table only format and are loaded, the property can be set by pressing the Import losses data from xml files
    • More information about table formats can be found in the Losses calculation section.
  • Et off table
    • Available if Losses calculation is enabled and Load data from is set to User tables
    • 3D look up table for switch turn off switching losses.
    • Up to THCC 2026.1 property would be filled automatically after selecting the xml files
    • After THCC 2026.1, if the xml files are in Table only format and are loaded, the property can be set by pressing the Import losses data from xml files
    • More information about table formats can be found in the Losses calculation section.
  • Ed off table
    • Available if Losses calculation is enabled and Load data from is set to User tables
    • 3D look up table for diode turn off switching losses.
    • Up to THCC 2026.1 property would be filled automatically after selecting the xml files
    • After THCC 2026.1, if the xml files are in Table only format and are loaded, the property can be set by pressing the Import losses data from xml files
    • More information about table formats can be found in the Losses calculation section.
  • Temperatures calculation
    • Available if Losses calculation is enabled
    • Enables/disables losses temperature calculation for converter. Thermal model must be provided. More details can be found in the Temperatures calculation section.
  • Import losses data from xml files
    • Available if Losses calculation is enabled and if Load data is set to User tables
    • Pressing the button will set the data from the loaded xml files into the properties for losses current, voltage, temperature, voltage drop and energy tables
    • For data to be loaded xml files must be in Table only format
  • Thermal networks type
    • Available if Temperature calculation is enabled
    • Specifies the type of thermal network model: Foster or Cauer
  • Switch Rth
    • Available if Temperature calculation is enabled
    • Switch thermal resistance
    • Vector
  • Diode Rth
    • Available if Temperature calculation is enabled
    • Diode thermal resistance
    • Vector
  • Switch Tth
    • Available if Temperature calculation is enabled and the Thermal network type is Foster
    • Switch thermal time constant
    • Vector
  • Diode Tth
    • Available if Temperature calculation is enabled and the Thermal network type is Foster
    • Diode thermal time constant
    • Vector
  • Switch Cth
    • Available if Temperature calculation is enabled and the Thermal network type is Cauer
    • Switch thermal capacitance
    • Vector
  • Diode Cth
    • Available if Temperature calculation is enabled and the Thermal network type is Cauer
    • Diode thermal time constant
    • Vector
  • Calculations execution rate
    • Available if Losses calculation or Forward voltage drop is enabled
    • Execution rate for losses calculation. Defines interval that will be used to update losses calculation inputs and outputs.

Advanced (Tab)

  • Vout comparator pull-up mode
    • Vout comparator pull-up mode is specific for real-time simulation and it is not applied to TyphoonSim at all. Changing its value will not affect TyphoonSim simulation at all.
    • When enabled, forces all inverter vout_cmp signals to 1 during coasting. For more information refer to Output Voltage Comparator
  • Vout comparator timeout
    • Vout comparator pull-up mode is specific for real-time simulation and it is not applied to TyphoonSim at all. Changing its value will not affect TyphoonSim simulation at all.
    • Defines the time period after which the logic switches into coasting mode. For more information refer to Output Voltage Comparator
  • PESB Optimization
    • PESB Optimization is specific for optimization of real-time simulation and it is not applied to TyphoonSim at all. Changing its value will not affect TyphoonSim simulation at all.
    • Enables/disables PESB optimization. More details can be found in the dedicated PESB Optimization section.

Extras (Tab)

The Extras tab gives you the opportunity to set Signal Access Management for the component.

Signal visibility is calculated based on the 'signal_access' property and whether or not a parent component in its hierarchy is locked or not. Components that are not contained within locked components expose their signals regardless of the 'signal_access' property. The 'signal_access' property can have one of three values:
  • Public - Components marked as public expose their signals on all levels.
  • Protected - Components marked as protected will hide their signals to components outside of their first locked parent component.
  • Inherit - Components marked as inherit will take the nearest parent 'signal_access' property value that is set to a value other than inherit.