Boost

Description of the Boost converter component in Schematic Editor

Figure 1. Component Icon

Schematic Block Diagram

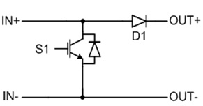
A schematic block diagram of the Boost component with corresponding switch and diode arrangement and naming is given in Figure 2.

Weight of the Boost component for real-time simulation is 1.

Figure 2. A schematic block diagram of the Boost component with corresponding switch naming

Control

Selecting Digital inputs as the Control parameter enables assigning gate drive inputs to any of the digital input pins (from 1 to 32(64)). For example, if S1 is assigned to 1, the digital input pin 1 will be routed to the S1 switch gate drive. In addition, the gate_logic parameter selects either active high (High-level input voltage VIH turns on the switch), or active low (Low-level input voltage VIL turns on the switch) gate drive logic, depending on the design of the external controller. In TyphoonSim, digital signals are read from the internal virtual IO bus. Hence, if some signal is sent to digital ouput 1, it will appear on digital input 1.

Selecting Internal modulator as the Control parameter, enables use of the internal PWM modulator for driving S1switch instead of digital input pin. In this configuration, two additional component inputs will be present. The En input is used to enable/disable the internal PWM modulator, while In is used as a reference signal input.

Selecting Model as the Control parameter, enables setting of the IGBT gate drive signal directly from the signal processing model. The input pin gate appears on the component. It is a 1-element (scalar) input which controls the S1 switch gate. When controlled from the model, logic is always active high.

Losses calculation

When the Losses calculation property is enabled, the component will calculate switching and conduction power losses for all switching elements (switch S1 and diode D1). Losses data can be loaded from a standardized xml file, or defined manually by the user. When loaded manually, switching power losses are calculated as a function of current, voltage, and temperature using 3D Look-up tables (LUTs). Also, 2D input tables for losses is supported. When a 2D losses table is inserted, it assumes only current and temperature dependance. Conduction power losses can be defined as a function of current and temperature using Vt and Vd Look-up tables. These LUTs can be either 1D or 2D. If the LUT is a 1D table, the forward voltage drop depends only on current. If the LUT is a 2D table, the forward voltage drop dependence on the junction temperature is included. Import options and an explanation how to correctly fill all necessary power losses parameters is described in the Importing power losses data section.

Note: An interactive overview of how you can incorporate power loss calculation in your model is available as part of the HIL for Power Electronics course on HIL Academy, as well as in the video Knowledgebase.

Input/output ports for power losses are vectors of two elements. First element (index 0) is IGBT and the second element (index 1) is diode.

Available component properties are:

  • Load data from - property to select losses data load source. Available options are User tables and Xml files
  • Current values - Switching elements current axis [A]
  • Voltage values - Switching elements switching losses, voltage axis [V]
  • Temp values - Switching elements temperature axis [°C]
  • Vt table - Switch forward voltage drop, f(I,T) [V]
  • Vd table - Diode forward voltage drop, f(I,T) [V]
  • Et on table - Switch switching ON losses, output energy, f(I, V, T) [J]
  • Et off table - Switch switching OFF losses, output energy, f(I, V, T) [J]
  • Ed off table - Diode switching OFF losses, output energy, f(I, V, T) [J]

Temperatures calculation

When the Temperatures calculation property is enabled, the component will calculate the combined power losses (P_loss) and junction temperatures (T_junctions) for all switching elements (IGBT and diode). Combined power losses represent the sum of the calculated switching and conduction losses transferred through an internally generated Thermal network component. The internally generated Thermal network component also calculates junction temperatures from power losses, input cases temperatures, and provided thermal model parameters. Input/output ports for temperatures calculation are vectors of two elements and they are indexed in the same way as explained in the Losses calculation section.

Note: An interactive overview of how you can incorporate temperature calculation in your model is available as part of the HIL for Power Electronics course on HIL Academy, as well as in the video Knowledgebase.

Additional temperatures calculation mask properties include:

  • Thermal networks type - Defines type of internal thermal network
  • Rth switch - List of thermal resistance for the IGBT switch
  • Tth switch / Cth switch - List of thermal time constants or thermal capacitances for the IGBT switch
  • Rth diode - List of thermal resistance for diode
  • Tth diode / Cth diode - List of thermal time constants or thermal capacitances for diode
  • Calculations execution rate - Execution rate in [s] for the losses and temperatures calculation logic

Digital Alias

If a converter is controlled by digital inputs, an alias for every digital input used by the converter will be created. Digital input aliases will be available under the Digital inputs list alongside existing Digital input signals. The alias will be shown as Converter_name.Switch_name, where Converter_name is name of the converter component and Switch_name is name of the controllable switch in the converter.

Oversampling setting (Advanced tab)

With this property, you can select which GDS oversampling algorithm will be used in the component. There are two options: Global GDS oversampling and Switch-level GDS oversampling. More information about these algorithms can be found in the dedicated documentation pages. Switch-level GDS oversampling is suitable for applications which use a high switching frequency and where more than one GDS transition can happen during one simulation step. A typical example of interest is the situation in which multiple interleaved boost converters are placed in the same SPC.

Note: If Switch-level GDS oversampling is enabled in a component that supports it, Global GDS oversampling will be ignored for all components in the same sub-circuit.
Note: Switch-level GDS oversampling in the Boost converter is supported starting from the 2023.4 Typhoon HIL software release.
Feature Ignored: GDS oversampling is a technique that is specifically used in real-time simulation to ensure high fidelity simulation. It is not needed in TyphoonSim simulation because the variable step solver can process any switching event exactly at the time when it occurs. Changing the Oversampling setting value will not affect TyphoonSim simulation at all.

Ports

  • IN+ (electrical)
    • DC input + port.
  • IN- (electrical)
    • DC input - port.
  • OUT+ (electrical)
    • DC output + port
  • OUT- (electrical)
    • DC output - port
  • gates (in)
    • Available if model control is selected
    • 1-element (scalar) input gate signal for switch
  • En (in)
    • Available if Internal modulator control is selected
    • Used to enable/disable internal modulator
  • In (in)
    • Available if Internal modulator control is selected
    • Used to specify modulation signal value for internal modulator
  • Freq (in)
    • Available if Internal modulator control is selected and Variable carrier frequency is selected as the modulator's operation mode
    • Used to specify modulator's carrier frequency
  • T_junctions (in)
    • Available if Losses calculation is enabled and Temperature calculation is disabled
    • Used to provide junction temperatures for switch losses calculations
    • T_junctions consists of 2 temperature values, for switch and diode
  • T_cases (in)
    • Available if Temperature calculation is enabled
    • Used to provide case temperatures for the thermal model
    • T_junctions consists of 2 temperature values, for switch and diode
  • cond_losses (out)
    • Available if Losses calculation is enabled
    • Represents conduction losses of the switching elements
    • cond_losses consists of 2 values, for switch and diode
  • sw_losses (out)
    • Available if Losses calculation is enabled
    • Represents switching losses of the switching elements
    • sw_losses consists of 2 values, for switch and diode
  • P_loss (out)
    • Available if both Losses and Temparature calculation are enabled
    • Represents sum of conduction and switching losses of the switching elements
    • P_loss consists of 2 values, for switch and diode
  • T_junctions (out)
    • Available if both Losses and Temparature calculation are enabled. In this case T_junctions is an output since the case thermal model is inside the component and case temperatures are provided as an input to the component.
    • Represents the junction temperatures of the switching elements
    • T_junctions consists of 2 values, for switch and diode

General (Tab)

  • Control
    • Specifies how switches are controled. It is possible to choose between: Digital inputs, Internal modulator, and Model
    • More details about each type of control can be found in the Control section
  • If Digital inputs is selected as Control, the following properties can be used:
    • S1
      • Digital input that is used to control S1 switch
    • S1_logic
      • Logic that will be applied to control signal for S1
      • Active high or active low
    • Gate control enabling
      • If enabled, gives a possibility to control if changes in the gate control signal is applied or not
    • Sen
      • Available if Gate control enabling is enabled
      • Digital input that enables/disables switching
    • Sen_logic
      • Available if Gate control enabling is enabled
      • Logic that will be applied to Sen signal
  • If Model is selected as Control, the following properties can be used:
    • Execution rate
      • Defines the period between two updates of gate signals for the component. Gate signals are provided as a signal processing input to component.
  • If Internal modulator is selected as Control, the following properties can be used:
    • Operation mode
      • Specifies the source of the internal modulator carrier frequency
      • If Operation mode is Fixed carrier frequency, then frequency can be specified on the component properties
      • If Operation mode is Variable carrier frequency, then the frequency can be specified using a signal processing port
    • Carrier frequency (Hz)
      • Available if the Operation mode is a Fixed carrier frequency
      • Specifies the internal modulator's carrier frequency
    • Carrier phase offset
      • Specifies the internal modulator's carrier phase offset in degrees
    • Dead time period
      • Specifies dead time for the internal modulator in seconds
    • Reference signal [min, max]
      • Specifies carrier signal minimal and maximal value
      • Vector containing two values: the minimal carrier signal value, followed by the maximal carrier signal value
    • Load mode
      • Specifies on which event the new value of the modulation signal will be applied in the internal modulator
        • If on min is selected, new value will be applied when carrier reaches minimal value
        • If on max is selected, new value will be applied when carrier reaches maximal value
        • If on either is selected, new value will be applied when carrier reaches minimal or maximal value

Losses (Tab)

  • Losses calculation
    • Enables/disables losses calculation for converter. More details can be found in the dedicated Losses calculation section.
  • Load data from
    • Available if Losses calculation is enabled
    • Used to select the source of losses data: user tables or standardized xml files. More information about loading losses data can be found in Import power losses data from XML files
  • Switch xml file
    • Available if Losses calculation is enabled and Load data from is set to Xml files
    • Used to load losses data for a switch from an xml file. More information about supported file formats can be found in the Losses calculation section.
  • Diode xml file
    • Available if Losses calculation is enabled and Load data from is set to Xml files
    • Used to load losses data for the diode from an xml file. More information about supported file formats can be found in the Losses calculation section.
  • Current values
    • Available if Losses calculation is enabled and Load data from is set to User tables
    • Vector of current values that are used to specify converter losses at specific points.
    • Up to THCC 2026.1 property would be filled automatically after selecting the xml files
    • After THCC 2026.1, if the xml files are in Table only format and are loaded, the property can be set by pressing the Import losses data from xml files
  • Voltage values
    • Available if Losses calculation is enabled and Load data from is set to User tables
    • Vector of voltage values that are used to specify converter losses at specific points.
    • Up to THCC 2026.1 property would be filled automatically after selecting the xml files
    • After THCC 2026.1, if the xml files are in Table only format and are loaded, the property can be set by pressing the Import losses data from xml files
  • Temp Values
    • Available if Losses calculation is enabled and Load data from is set to User tables
    • Vector of temperature values that are used to specify converter losses at specific points.
    • Up to THCC 2026.1 property would be filled automatically after selecting the xml files
    • After THCC 2026.1, if the xml files are in Table only format and are loaded, the property can be set by pressing the Import losses data from xml files
  • Vt table
    • Available if Losses calculation is enabled and Load data from is set to User tables
    • 2D look up table for switch conduction voltage drop values.
    • Up to THCC 2026.1 property would be filled automatically after selecting the xml files
    • After THCC 2026.1, if the xml files are in Table only format and are loaded, the property can be set by pressing the Import losses data from xml files
    • More information about table formats can be found in the Losses calculation section.
  • Vd table
    • Available if Losses calculation is enabled and Load data from is set to User tables
    • 2D look up table for diode conduction voltage drop values.
    • Up to THCC 2026.1 property would be filled automatically after selecting the xml files
    • After THCC 2026.1, if the xml files are in Table only format and are loaded, the property can be set by pressing the Import losses data from xml files
    • More information about table formats can be found in the Losses calculation section.
  • Et on table
    • Available if Losses calculation is enabled and Load data from is set to User tables
    • 3D look up table for switch turn on switching losses.
    • Up to THCC 2026.1 property would be filled automatically after selecting the xml files
    • After THCC 2026.1, if the xml files are in Table only format and are loaded, the property can be set by pressing the Import losses data from xml files
    • More information about table formats can be found in the Losses calculation section.
  • Et off table
    • Available if Losses calculation or Forward voltage drop is enabled and Load data from is set to User tables
    • 3D look up table for switch turn off switching losses.
    • Up to THCC 2026.1 property would be filled automatically after selecting the xml files
    • After THCC 2026.1, if the xml files are in Table only format and are loaded, the property can be set by pressing the Import losses data from xml files
    • More information about table formats can be found in the Losses calculation section.
  • Ed off table
    • Available if Losses calculation is enabled and Load data from is set to User tables
    • 3D look up table for diode turn off switching losses.
    • Up to THCC 2026.1 property would be filled automatically after selecting the xml files
    • After THCC 2026.1, if the xml files are in Table only format and are loaded, the property can be set by pressing the Import losses data from xml files
    • More information about table formats can be found in the Losses calculation section.
  • Import losses data from xml files
    • Available if Losses calculation is enabled and if Load data is set to User tables
    • Pressing the button will set the data from the loaded xml files into the properties for losses current, voltage, temperature, voltage drop and energy tables
    • For data to be loaded xml files must be in Table only format
  • Temperatures calculation
    • Available if Losses calculation is enabled
    • Enables/disables losses temperature calculation for converter. Thermal model must be provided. More details can be found in the dedicated Temperatures calculation section.
  • Thermal networks type
    • Available if Temperature calculation is enabled
    • Specifies the type of thermal network model: Foster or Cauer
  • Rth switch
    • Available if Temperature calculation is enabled
    • Switch thermal resistance
    • Vector
  • Tth switch
    • Available if Temperature calculation is enabled and the Thermal network type is Foster
    • Switch thermal time constant
    • Vector
  • Rth diode
    • Available if Temperature calculation is enabled
    • Diode thermal resistance
    • Vector
  • Tth diode
    • Available if Temperature calculation is enabled and the Thermal network type is Foster
    • Diode thermal time constant
    • Vector
  • Cth switch
    • Available if Temperature calculation is enabled and the Thermal network type is Cauer
    • Switch thermal capacitance
    • Vector
  • Cth diode
    • Available if Temperature calculation is enabled and the Thermal network type is Cauer
    • Diode thermal time constant
    • Vector
  • Calculations execution rate
    • Available if Losses calculation or Forward voltage drop is enabled
    • Execution rate for losses calculation. Defines interval that will be used to update losses calculation inputs and outputs.

Advanced (Tab)

  • Oversampling setting
    • Specifies the oversampling type applied to the component. Possible options are Switch Level GDS Oversampling and Global GDS oversampling. More information can be found in the dedicated Oversampling setting (Advanced tab) section.
    • GDS oversampling is a technique that is specifically used in real-time simulation to ensure high fidelity simulation. It is not needed in TyphoonSim simulation because the variable step solver can process any switching event exactly at the time when it occurs. Changing the Oversampling setting value will not affect TyphoonSim simulation at all.

Extras (Tab)

The Extras tab gives you the opportunity to set Signal Access Management for the component.
Signal visibility is calculated based on the 'signal_access' property and whether or not a parent component in its hierarchy is locked or not. Components that are not contained within locked components expose their signals regardless of the 'signal_access' property. The 'signal_access' property can have one of three values:
  • Public - Components marked as public expose their signals on all levels.
  • Protected - Components marked as protected will hide their signals to components outside of their first locked parent component.
  • Inherit - Components marked as inherit will take the nearest parent 'signal_access' property value that is set to a value other than inherit.