NPC T Type Leg

Description of the NPC T Type Leg component in Schematic Editor Library

Figure 1. Component Icon

Schematic Block Diagram

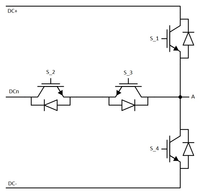
A schematic block diagram of the NPC T Type Leg with corresponding switch arrangement and naming, is given in Figure 2.

Weight of an NPC T Type Leg component for real-time/VHIL simulation is 1.

Figure 2. A schematic block diagram of a NPC T Type Leg block diagram with corresponding switch naming

Control

Selecting Digital inputs per switch as the Control parameter enables assigning gate drive inputs to any of the digital input pins (from 1 to 32(64)). For example, if S1 is assigned to 1, the digital input pin 1 will be routed to the S1 switch gate drive. In addition, the gate_logic parameter selects either active high (High-level input voltage VIH turns on the switch), or active low (Low-level input voltage VIL turns on the switch) gate drive logic, depending on the design of the external controller. In TyphoonSim, digital signals are read from the internal virtual IO bus. Hence, if some signal is sent to digital ouput 1, it will appear on digital input 1.

Selecting Internal modulator as the Control parameter, enables use of the internal PWM modulator for driving the converter's switches instead of digital input pins. In this configuration, three additional component inputs will be present. The En input is used to enable/disable PWM modulator control, while In1 and In2 are used as referent signal inputs for the internal PWM modulator. In1 is fed to PWM channel 1 which creates gate signals for switches S1 and S3, while In2 is fed to PWM channel 2 which creates gate signals for switches S2 and S4.

Selecting Model as the Control parameter, enables setting of the IGBTs gate drive signals directly from the signal processing model. The input pin s_ctrl appears on the component. It requires a vector input of four gate drive signals in the following order: [S1, S2, S3, S4]. When controlled from the model, logic is always active high.

DTV detection: when enabled, DTV detection will be signaled during simulation runtime.
Feature Ignored: DTV detection is not supported in TyphoonSim yet and changing its value will not affect the simulation at all.
Note: An interactive overview of how you can use DTV detection in your model is available as part of the HIL for Power Electronics course on HIL Academy, as well as in the video Knowledgebase.

Timing

When Enable delays is enabled, turn on and turn off delay of the IGBTs will be included in the simulation. More information about this feature can be found on the dedicated switching delay section.

Feature ignored: Gate signal delays on this component are not supported in TyphoonSim yet and changing its value will not affect the simulation at all.
Note: An interactive overview of how you can use switching delays in your model is available as part of the HIL for Power Electronics course on HIL Academy, as well as in the video Knowledgebase.

PESB Optimization

The PESB Optimization option is available in certain converter models. When PESB Optimization is enabled, all converter's short circuit state space modes will be merged and treated as the same state space mode. For example, if one converter leg within the three phase converter is short circuited and PESB Optimization is enabled, all of the legs within the three phase converter will also be short circuited. This simplification for short circuit modeling can save a significant amount of matrix memory.

Feature ignored: PESB Optimization is specific for optimization of real-time simulation and it is not applied to TyphoonSim at all. Changing its value will not affect TyphoonSim simulation at all.

Vienna rectifier optimization

Vienna rectifier optimization is activated through the corresponding checkbox in the Model Optimization tab. S1 and S4 IGBTs are removed from the circuit, leaving only the diodes. This results in a single leg of a three-phase topology commonly known as Vienna rectifier. This reduces time slot utilization and can enable the model to run at a shorter simulation time step.

Losses calculation

When the Losses calculation property is enabled, the component will calculate switching and conduction power losses for all switching elements (IGBTs and Diodes or MOSFETs). Losses data can be loaded from a standardized xml file, or defined manually by the user. In the case of MOSFET switching elements, the Diode characteristic represents an internal MOSFET body diode. When loaded manually, switching power losses are calculated as a function of current, voltage, and temperature using 3D Look-up tables (LUTs). Also, 2D input tables for losses is supported. When a 2D losses table is inserted, it assumes only current and temperature dependance. Conduction power losses can be defined as a function of current and temperature using Vt and Vd Look-up tables. These LUTs can be either 1D or 2D. If the LUT is a 1D table, the forward voltage drop depends only on current. If the LUT is a 2D table, the forward voltage drop dependence on the junction temperature is included.

In the MOSFET case under reverse current conduction, the current sharing calculation between the MOSFET channel and the internal body diode is performed. Import options and an explanation of how to correctly fill in all the necessary power loss parameters is described in the Importing power losses data section.

Note: An interactive overview of how you can incorporate power loss calculation in your model is available as part of the HIL for Power Electronics course on HIL Academy, as well as in the video Knowledgebase.

All switches are distributed in two groups, and for each group, different power loss parameters can be specified (S1 and S4 are in group 1, S2 and S3 are in group 2).

If the IGBT switch types are used in both losses groups, input/output terminals for power losses are vectors of eight elements (every index in the vector represent one switching element). Ordering of switching elements is given in Table 1.

Table 1. Switching elements ordering for power losses terminals in the case of IGBT switch types in both groups
Index in the vector Switching element
[0] S1_igbt
[1] S1_diode
[2] S2_igbt
[3] S2_diode
[4] S3_igbt
[5] S3_diode
[6] S4_igbt
[7] S4_diode

If the MOSFET switch types are used in both losses groups, input/output terminals for power losses are vectors of four elements (every index in the vector represent one switching element). Ordering of switching elements is given in Table 2.

Table 2. Switching elements ordering for power losses terminals in the case of MOSFET switch types in both groups
Index in the vector Switching element
[0] S1_mosfet
[1] S2_mosfet
[2] S3_mosfet
[3] S4_mosfet

If the MOSFET switch type is used for losses group 1 and IGBT switch type for losses group 2, input/output terminals for power losses are vectors of six elements (every index in the vector represent one switching element). Ordering of switching elements is given in Table 3.

Table 3. Switching elements ordering for power losses terminals in the case of IGBT switch types in both groups
Index in the vector Switching element
[0] S1_mosfet
[1] S2_igbt
[2] S2_diode
[3] S3_igbt
[4] S3_diode
[5] S4_mosfet

If the IGBT switch type is used for losses group 1 and MOSFET switch type for losses group 2, input/output terminals for power losses are vectors of six elements (every index in the vector represent one switching element). Ordering of switching elements is given in Table 4.

Table 4. Switching elements ordering for power losses terminals in the case of IGBT switch type in group 1 and MOSFET switch type in group 2
Index in the vector Switching element
[0] S1_igbt
[1] S1_diode
[2] S2_mosfet
[3] S3_mosfet
[4] S4_igbt
[5] S4_diode

Available mask properties are:

  • Losses groups - Switching elements group
  • Load Group data from - property to select losses data load source. Available options are User tables and Xml files
  • Switch Group type - property to select semiconductor type. Available options are IGBT and MOSFET
  • Current values - Switching elements current axis [A]

  • Voltage values - Switching elements voltage axis [V]

  • Temp values - Switching elements temperature axis [°C]

  • Vt table - Switch forward voltage drop, f(I,T) [V]

  • Vd table - Diode forward voltage drop, f(I,T) [V]

  • Et on table out - Switch switching ON losses, output energy, f(I, V, T) [J]

  • Et off table out - Switch switching OFF losses, output energy, f(I, V, T) [J]

  • Ed off table out- Diode switching OFF losses, output energy, f(I, V, T) [J]

Temperatures calculation

When the Temperatures calculation property is enabled, the component will calculate the combined power losses (P_loss) and junction temperatures (T_junctions) for all switching elements (IGBTs and diodes). Combined power losses represent the sum of the calculated switching and conduction losses transfered through an internally generated Thermal network component. The internally generated Thermal network component also calculates junction temperatures from power losses, input cases temperatures, and provided thermal model parameters.

Input/output ports for temperatures calculation are vectors of eight elements and they are indexed in the same way as explained in Table 1. Additional temperatures calculation mask properties are:
  • Thermal networks type - Defines type of internal thermal network
  • Rth switch - List of thermal resistance for the IGBT switch
  • Tth switch / Cth switch - List of thermal time constants or thermal capacitances for the IGBT switch
  • Rth diode - List of thermal resistance for the diode
  • Tth diode / Cth diode - List of thermal time constants or thermal capacitances for the diode
  • Caculations execution rate - Execution rate in [s] for the losses and temperatures calculation logic

Digital Alias

If a converter is controlled by digital inputs, an alias for every digital input used by the converter will be created. Digital input aliases will be available under the Digital inputs list alongside existing Digital input signals. The alias will be shown as Converter_name.Switch_name, where Converter_name is name of the converter component and Switch_name is name of the controllable switch in the converter.

Ports

  • DC+ (electrical)
    • DC side + port.
  • DCn (electrical)
    • DC side neutral port.
  • DC- (electrical)
    • DC side - port.
  • A (electrical)
    • AC side port
  • s_ctrl (in)
    • Available if Model control is selected
    • Vector of 4 input gate signals for switches
  • En (in)
    • Available if Internal modulator control is selected
    • Used to enable/disable internal modulator
  • In1 (in)
    • Available if Internal modulator control is selected
    • Used to specify modulation signal value for internal modulator, for switches S1 and S3
  • In2 (in)
    • Available if Internal modulator control is selected
    • Used to specify modulation signal value for internal modulator, for switches S2 and S4
  • Freq (in)
    • Available if Internal modulator control is selected and Variable carrier frequency is selected as the modulator's operation mode
    • Used to specify modulator's carrier frequency
  • T_junctions (in)
    • Available if Losses calculation is enabled and Temperature calculation is disabled
    • Used to provide junction temperatures for switch losses calculations
    • If the switch type is IGBT, then T_junctions consists of 8 temperature values, one for every switch and diode
    • If the switch type is MOSFET, then T_junctions consists of 4 temperature values (MOSFET and body diode are having the same temperature)
  • T_cases (in)
    • Available if Temperature calculation is enabled
    • Used to provide case temperatures for the thermal model
    • If switch type is IGBT, then T_junctions consists of 8 temperature values, one for every switch and diode
    • If switch type is MOSFET, then T_junctions consists of 4 temperature values (MOSFET and the body diode have the same temperature)
  • cond_losses (out)
    • Available if Losses calculation is enabled
    • Represents conduction losses of the switching elements
    • If the switch type is IGBT, then cond_losses consists of 8 values; Otherwise, it consists of 4 values
  • sw_losses (out)
    • Available if Losses calculation is enabled
    • Represents switching losses of the switching elements
    • If the switch type is IGBT, then sw_losses consists of 8 values; otherwise, it consists of 4 values
  • P_loss (out)
    • Available if both Losses and Temparature calculation are enabled
    • Represents sum of conduction and switching losses of the switching elements
    • If the switch type is IGBT, then P_loss consists of 8 values; otherwise, it consists of 4 values
  • T_junctions (out)
    • Available if both Losses and Temparature calculation are enabled. In this case T_junctions is an output since the case thermal model is inside the component and case temperatures are provided as an input to the component.
    • Represents the junction temperatures of the switching elements
    • If the switch type is IGBT, then T_junctions consists of 8 values; otherwise, it consists of 4 values

General (Tab)

Control
  • Specifies how switches are controled. It is possible to choose between: Digital input per switch, Internal modulator, and Model
  • More details about each type of control can be found in the Control section
  • If Digital inputs per switch is selected as Control, the following properties can be used:
    • S1
      • Digital input that is used to control S1 switch
    • S1_logic
      • Logic that will be applied to control signal for S1
      • Active high or active low
    • S2
      • Digital input that is used to control S2 switch
    • S2_logic
      • Logic that will be applied to control signal for S2
      • Active high or active low

    • S3
      • Digital input that is used to control S3 switch
    • S3_logic
      • Logic that will be applied to control signal for S3
      • Active high or active low

    • S4
      • Digital input that is used to control S4 switch
    • S4_logic
      • Logic that will be applied to control signal for S4
      • Active high or active low

    • Gate control enabling
      • If enabled, gives a possibility to control if changes in the gate control signal are applied or not
    • Sen
      • Available if Gate control enabling is enabled
      • Digital input that enables/disables switching
    • Sen_logic
      • Available if Gate control enabling is enabled
      • Logic that will be applied to Sen signal
  • If Model is selected as Control, the following properties can be used:
    • Execution rate
      • Defines the period between two updates of gate signals for the component. Gate signals are provided as a signal processing input to component.
  • If Internal modulator is selected as Control, the following properties can be used:
    • Operation mode
      • Specifies the source of the internal modulator carrier frequency
      • If Operation mode is Fixed carrier frequency, then frequency can be specified on the component properties
      • If Operation mode is Variable carrier frequency, then the frequency can be specified using a signal processing port
    • Carrier frequency (Hz)
      • Available if the Operation mode is a Fixed carrier frequency
      • Specifies the internal modulator's carrier frequency
    • Carrier phase offset
      • Available if Phase operation mode is Fixed carrier phase offset
      • Specifies the internal modulator's carrier phase offset in degrees.
    • Dead time period
      • Specifies dead time for the internal modulator in seconds
    • Reference signal [min, max]
      • Specifies carrier signal minimal and maximal value
      • Vector containing two values: the minimal carrier signal value, followed by the maximal carrier signal value
    • Load mode
      • Specifies on which event the new value of the modulation signal will be applied in the internal modulator
        • If on min is selected, new value will be applied when carrier reaches minimal value
        • If on max is selected, new value will be applied when carrier reaches maximal value
        • If on either is selected, new value will be applied when carrier reaches minimal or maximal value
  • DTV detection
    • DTV detection is not supported in TyphoonSim yet and changing its value will not affect TyphoonSim simulation at all.
    • Enables/disables dead time violation detection.
    • DTV flag is available in HIL SCADA.

Timing (Tab)

  • Enable delays
    • Not supported in TyphoonSim yet, hence this signal will be zeroed. Enabling this signal will not affect TyphoonSim simulation at all.
    • Enables delays for turn on and off events
  • Turn on delay
    • Specifies the delay that is applied to turn on events
  • Turn off delay
    • Specifies the delay that is applied to turn off events
      • Vector consisting of current values and corresponding turn off delay. Every current value must be followed by the expected turn off delay.

Losses (Tab)

  • Losses calculation
    • Enables/disables losses calculation for converter. More details can be found in the dedicated Losses calculation section.
  • Losses groups
    • Available if Losses calculation is enabled
    • Used to select specific switches group. More details can be foun in the dedicated Losses calculation section.
  • Load Group data from
    • Available if Losses calculation is enabled
    • Used to select the source of losses data: user tables or standardized xml files. More information about loading losses data can be found in Import power losses data from XML files
  • Switch Group type
    • Available if Losses calculation is enabled.
    • Specifies switch type: MOSFET or IGBT
  • Switch xml file
    • Available if Losses calculation is enabled and Load Group data is set to Xml files
    • Used to load losses data for a switch from an xml file. More information about supported file formats can be found in the dedicated section.
  • Diode xml file
    • Available if Losses calculation is enabled and Load Group data is set to Xml files
    • Used to load losses data for the diode from an xml file. More information about supported file formats can be found in the dedicated section.
  • Current values
    • Available if Losses calculation is enabled and Load Group data is set to User tables
    • Vector of current values that are used to specify converter losses at specific points.
    • Up to THCC 2026.1 property would be filled automatically after selecting the xml files
    • After THCC 2026.1, if the xml files are in Table only format and are loaded, the property can be set by pressing the Import losses data from xml files
  • Voltage values
    • Available if Losses calculation is enabled and Load Group data is set to User tables
    • Vector of voltage values that are used to specify converter losses at specific points.
    • Up to THCC 2026.1 property would be filled automatically after selecting the xml files
    • After THCC 2026.1, if the xml files are in Table only format and are loaded, the property can be set by pressing the Import losses data from xml files
  • Temp Values
    • Available if Losses calculation is enabled and Load Group data is set to User tables
    • Vector of temperature values that are used to specify converter losses at specific points.
    • Up to THCC 2026.1 property would be filled automatically after selecting the xml files
    • After THCC 2026.1, if the xml files are in Table only format and are loaded, the property can be set by pressing the Import losses data from xml files
  • Vt table
    • Available if Losses calculation or Forward voltage drop is enabled and Load Group data is set to User tables
    • 2D look up table for switch conduction voltage drop values.
    • Up to THCC 2026.1 property would be filled automatically after selecting the xml files
    • After THCC 2026.1, if the xml files are in Table only format and are loaded, the property can be set by pressing the Import losses data from xml files
    • More information about table formats can be found in the section.
  • Vd table
    • Available if Losses calculation is enabled and Load Group data is set to User tables
    • 2D look up table for diode conduction voltage drop values.
    • Up to THCC 2026.1 property would be filled automatically after selecting the xml files
    • After THCC 2026.1, if the xml files are in Table only format and are loaded, the property can be set by pressing the Import losses data from xml files
    • More information about table formats can be found in the Losses calculation section.
  • Et on table out
    • Available if Losses calculation is enabled and Load Group data is set to User tables
    • 3D look up table for switch turn on switching losses.
    • Up to THCC 2026.1 property would be filled automatically after selecting the xml files
    • After THCC 2026.1, if the xml files are in Table only format and are loaded, the property can be set by pressing the Import losses data from xml files
    • More information about table formats can be found in theLosses calculation section.
  • Et off table out
    • Available if Losses calculation is enabled and Load Group data is set to User tables
    • 3D look up table for switch turn off switching losses.
    • Up to THCC 2026.1 property would be filled automatically after selecting the xml files
    • After THCC 2026.1, if the xml files are in Table only format and are loaded, the property can be set by pressing the Import losses data from xml files
    • More information about table formats can be found in the Losses calculation section.
  • Ed off table out
    • Available if Losses calculation or Forward voltage drop is enabled and Load Group data is set to User tables
    • 3D look up table for diode turn off switching losses.
    • Up to THCC 2026.1 property would be filled automatically after selecting the xml files
    • After THCC 2026.1, if the xml files are in Table only format and are loaded, the property can be set by pressing the Import losses data from xml files
    • More information about table formats can be found in the Losses calculation section.
  • Import losses data from xml files
    • Available if Losses calculation is enabled and if Load Group data is set to User tables
    • Pressing the button will set the data from the loaded xml files into the properties for losses current, voltage, temperature, voltage drop and energy tables
    • For data to be loaded xml files must be in Table only format
  • Temperatures calculation
    • Available if Losses calculation is enabled
    • Enables/disables losses temperature calculation for converter. Thermal model must be provided. More details can be found in the dedicated Temperatures calculation section.
  • Thermal networks type
    • Available if Temperature calculation is enabled
    • Specifies the type of thermal network model: Foster or Cauer
  • Rth Switch
    • Available if Temperature calculation is enabled
    • Switch thermal resistance
    • Vector
  • Rth Diode
    • Available if Temperature calculation is enabled
    • Diode thermal resistance
    • Vector
  • Tth Switch
    • Available if Temperature calculation is enabled and the Thermal network type is Foster
    • Switch thermal time constant
    • Vector
  • Tth Diode
    • Available if Temperature calculation is enabled and the Thermal network type is Foster
    • Diode thermal time constant
    • Vector
  • Cth Switch
    • Available if Temperature calculation is enabled and the Thermal network type is Cauer
    • Switch thermal capacitance
    • Vector
  • Cth Diode
    • Available if Temperature calculation is enabled and the Thermal network type is Cauer
    • Diode thermal time constant
    • Vector
  • Calculations execution rate
    • Available if Losses calculation or Forward voltage drop is enabled
    • Execution rate for losses calculation. Defines interval that will be used to update losses calculation inputs and outputs.

Model Optimization (Tab)

  • PESB Optimization
    • PESB Optimization is specific for optimization of real-time simulation and it is not applied to TyphoonSim at all. Changing its value will not affect TyphoonSim simulation at all.
    • Enables/disables PESB optimization. More details can be found in the dedicated PESB Optimization section.
  • Vienna rectifier optimiztion
    • Vienna rectifier optimiztion is specific for optimization of real-time simulation and it is not applied to TyphoonSim at all. Changing its value will not affect TyphoonSim simulation at all.
    • Enables/disables Vienna rectifier optimiztion. More details can be found in the dedicated Vienna rectifier optimization section.
  • Model complexity
    • Modеl complexity is specific for optimization of real-time simulation and it is not applied to TyphoonSim at all. Changing its value will not affect TyphoonSim simulation at all.
    • If Optimize resources is selected, then the model will look like Vienna rectifier optimization
    • If Full is selected, then the model will look like Figure 2

Extras (Tab)

The Extras tab gives you the opportunity to set Signal Access Management for the component.
Signal visibility is calculated based on the 'signal_access' property and whether or not a parent component in its hierarchy is locked or not. Components that are not contained within locked components expose their signals regardless of the 'signal_access' property. The 'signal_access' property can have one of three values:
  • Public - Components marked as public expose their signals on all levels.
  • Protected - Components marked as protected will hide their signals to components outside of their first locked parent component.
  • Inherit - Components marked as inherit will take the nearest parent 'signal_access' property value that is set to a value other than inherit.

References

  • Semikron Application Note AN-11001 (link)