Three Phase Asymmetric Inverter

Description of the Three Phase Asymmetric Inverter component in Schematic Editor.

Figure 1. Component Icon

Schematic Block Diagram

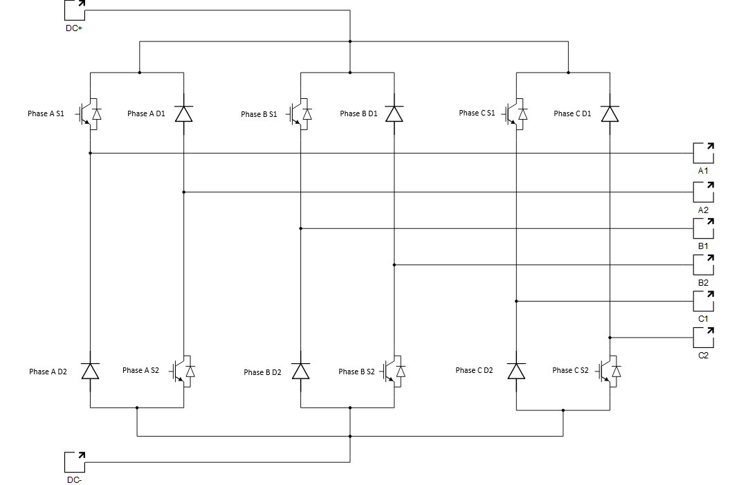
The schematic block diagram of the Three Phase Asymmetric Inverter block is given in Figure 2, with corresponding switch arrangement and naming.

Weight of the Three Phase Asymmetric Inverter is 3.

Figure 2. Schematic block diagram of the Three Phase Asymmetric Inverter block with corresponding switch naming

Control

Selecting Digital inputs as the Control parameter enables assigning gate drive inputs to any of the digital input pins (from 1 to 32(64)). For example, if S1 is assigned to 1, the digital input pin 1 will be routed to the T1 switch gate drive. In addition, the gate_logic parameter selects either active high (High-level input voltage VIH turns on the switch), or active low (Low-level input voltage VIL turns on the switch) gate drive logic, depending on the design of the external controller. In TyphoonSim, digital signals are read from the internal virtual IO bus. Hence, if some signal is sent to digital ouput 1, it will appear on digital input 1.

Selecting Model as the Control parameter, enables IGBT gate drive signals to be set up directly from the signal processing model. The input pin s_ctrl appears on the component and requires a vector input of six gate drive signals in the following order: [Phase A S1, Phase A S2, Phase B S1, Phase B S2, Phase C S1, Phase C S2]. When controlled from the model, logic is always active high.

Digital Alias

If a converter is controlled by digital inputs, an alias for every digital input used by the converter will be created. Digital input aliases will be available under the Digital inputs list alongside existing Digital input signals. The alias will be shown as Converter_name.Switch_name, where Converter_name is name of the converter component and Switch_name is name of the controllable switch in the converter.

Ports

  • DC+
    • DC positive input port
  • DC-
    • DC negative input port
  • A1
    • Phase A port 1
  • A2
    • Phase A port 2
  • B1
    • Phase B port 1
  • B2
    • Phase B port 2
  • C1
    • Phase C port 1
  • C2
    • Phase C port 2
  • s_ctrl
    • Available if model control is selected
    • Vector of 6 input gate signals for switches

General (Tab)

  • Control
    • Specifies how switches are controled. It is possible to choose between: Digital inputs and Model
    • More details about each type of control can be found in the Control section
  • If Digital inputs is selected as Control, the following properties can be used:
    • Phase A S1
      • Digital input that is used to control Phase A S1 switch
    • Phase A S1 logic
      • Logic that will be applied to control signal for Phase A S1
      • Active high or active low
    • Phase A S2
      • Digital input that is used to control Phase A S2 switch
    • S2_logic
      • Logic that will be applied to control signal for Phase A S2
      • Active high or active low
    • Phase B S1
      • Digital input that is used to control Phase B S1 switch
    • Phase B S1 logic
      • Logic that will be applied to control signal for Phase B S1
      • Active high or active low
    • Phase B S2
      • Digital input that is used to control Phase B S2 switch
    • Phase B S2 logic
      • Logic that will be applied to control signal for Phase B S2
      • Active high or active low
    • Phase C S1
      • Digital input that is used to control Phase C S1 switch
    • Phase C S1 logic
      • Logic that will be applied to control signal for Phase C S1
      • Active high or active low
    • Phase C S2
      • Digital input that is used to control Phase C S2 switch
    • Phase C S2 logic
      • Logic that will be applied to control signal for Phase C S2
      • Active high or active low
  • If Model is selected as Control, the following properties can be used:
    • Execution rate
      • Defines the period between two updates of gate signals for the component. Gate signals are provided as a signal processing input to component

Extras (Tab)

The Extras tab gives you the opportunity to set Signal Access Management for the component.
Signal visibility is calculated based on the 'signal_access' property and whether or not a parent component in its hierarchy is locked or not. Components that are not contained within locked components expose their signals regardless of the 'signal_access' property. The 'signal_access' property can have one of three values:
  • Public - Components marked as public expose their signals on all levels.
  • Protected - Components marked as protected will hide their signals to components outside of their first locked parent component.
  • Inherit - Components marked as inherit will take the nearest parent 'signal_access' property value that is set to a value other than inherit.