Buck

Description of the Buck converter component in Schematic Editor

Figure 1. Component Icon

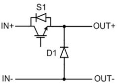
Schematic Block Diagram

A schematic block diagram of the buck switching block is given in Figure 2.

Weight of a Buck component for real-time simulation is 1.

Figure 2. Schematic block diagram of a buck switching block with corresponding switch naming

Control

Selecting Digital inputs as the Control parameter enables you to assign gate drive inputs to any of the digital input pins. For example, if S1 is assigned to 1, the digital input pin 1 will be routed to the S1 switch gate drive. In addition, the S1_logic parameter is set to either active high (i.e. high-level input voltage VIH turns on the switch), or active low (i.e. low-level input voltage VIL turns on the switch) gate drive logic, depending on the design of the external controller. In TyphoonSim, digital signals are read from the internal virtual IO bus. Hence, if some signal is sent to digital ouput 1, it will appear on digital input 1.

Selecting Internal modulator as the Control parameter enables you to use the internal PWM modulator for driving the S1 switch instead of the digital input pins. In this configuration, two additional component inputs will be present. The En input is used to enable/disable PWM modulator control, while In is used as the reference signal input for the internal PWM modulator.

Selecting Model as the Control parameter enables you to set the IGBT gate drive signal directly from the signal processing model. The input pin gate appears on the component. It is a one element input which controls the S1 switch gate. When controlled from the model, logic is always active high.

Losses calculation

When the Losses calculation property is enabled, the component will calculate switching and conduction power losses for all switching elements (switch S1 and diode D1). Losses data can be loaded from a standardized xml file, or defined manually by the user. When loaded manually, switching power losses are calculated as a function of current, voltage, and temperature using 3D Look-up tables (LUTs). Also 2D input for losses is supported. When a 2D losses table is inserted, it assumes only current and temperature dependance. Conduction power losses can be defined as a function of current and temperature using Vt and Vd Look-up tables. These LUTs can be either 1D or 2D. If the LUT is a 2D table, the forward voltage drop dependence on the junction temperature is included. Import options and an explanation how to correctly fill all necessary power losses parameters is described in the Importing power losses data section.

Note: An interactive overview of how you can incorporate power loss calculation in your model is available as part of the HIL for Power Electronics course on HIL Academy, as well as in the video Knowledgebase.

Input/output ports for power losses are vectors of two elements. The first element (index 0) is the IGBT and the second element (index 1) is the diode.

Available mask properties are:

  • Load data from - property to select losses data load source. Available options are User tables and Xml files
  • Current values - IGBT switching losses, current axis [A]
  • Voltage values - IGBT switching losses, voltage axis [V]
  • Temp values - IGBT switching losses, temperature axis [°C]
  • Vt table - Switch forward voltage drop, f(I,T) [V]
  • Vd table - Diode forward voltage drop, f(I,T) [V]
  • Et on table out - IGBT switching ON losses, output energy, f(I, V, T) [J]
  • Et off table out - IGBT switching OFF losses, output energy, f(I, V, T) [J]
  • Ed off table out - Diode switching OFF losses, output energy, f(I, V, T) [J]

Temperatures calculation

When the Temperatures calculation property is enabled, the component will calculate combined power losses (P_loss) and junction temperatures (T_junctions) for all switching elements (IGBT and diodes). Combined power losses represent the sum of the calculated switching and conduction losses transferred through an internally generated Thermal network component. The internally generated Thermal network component also calculates junction temperatures from power losses, input cases temperatures, and the provided thermal model parameters. Input/output ports for temperatures calculation are vectors of two elements and they are indexed in the same way as explained in the Losses calculation section.

Note: An interactive overview of how you can incorporate temperature calculation in your model is available as part of the HIL for Power Electronics course on HIL Academy, as well as in the video Knowledgebase.
Additional temperature calculation mask properties are:
  • Thermal networks type - Defines type of internal thermal network
  • Rth switch - List of thermal resistances for the IGBT switch
  • Tth switch / Cth switch - List of thermal time constants or thermal capacitances for the IGBT switch
  • Rth diode - List of thermal resistances for diode
  • Tth diode / Cth diode - List of thermal time constants or thermal capacitances for diode
  • Calculations execution rate - Execution rate in [s] for the losses and temperatures calculation logic

Digital Alias

If a converter is controlled by digital inputs, an alias for every digital input used by the converter will be created. Digital input aliases will be available under the Digital inputs list alongside existing Digital input signals. The alias will be shown as Converter_name.Switch_name, where Converter_name is name of the converter component and Switch_name is name of the controllable switch in the converter.

Ports

  • IN+ (electrical)
    • DC input + port
  • IN- (electrical)
    • DC input - port
  • OUT+ (electrical)
    • DC output + port
  • OUT- (electrical)
    • DC output - port
  • gates (in)
    • Available if model control is selected
    • 1-element (scalar) input gate signal for switch
  • En (in)
    • Available if Internal modulator control is selected
    • Used to enable/disable internal modulator
  • In (in)
    • Available if Internal modulator control is selected
    • Used to specify modulation signal value for internal modulator
  • Freq (in)
    • Available if Internal modulator control is selected and Variable carrier frequency is selected as the modulator's operation mode
    • Used to specify modulator's carrier frequency
  • T_junctions (in)
    • Available if Losses calculation is enabled and Temperature calculation is disabled
    • Used to provide junction temperatures for switch losses calculations
    • T_junctions consists of 2 temperature values, for switch and diode
  • T_cases (in)
    • Available if both Losses and Temparature calculation are enabled
    • Used to provide case temperatures for the thermal model
    • T_cases consists of 2 temperature values, for switch and diode
  • cond_losses (out)
    • Available if Losses calculation is enabled and Temperature calculation is disabled
    • Represents conduction losses of the switching elements
    • cond_losses consists of 2 values, for switch and diode
  • sw_losses (out)
    • Available if Losses calculation is enabled and Temperature calculation is disabled
    • Represents switching losses of the switching elements
    • sw_losses consists of 2 values, for switch and diode
  • P_loss (out)
    • Available if both Losses and Temparature calculation are enabled
    • Represents sum of conduction and switching losses of the switching elements
    • P_loss consists of 2 values, for switch and diode
  • T_junctions (out)
    • Available if both Losses and Temparature calculation are enabled. In this case T_junctions is an output since the case thermal model is inside the component and case temperatures are provided as an input to the component.
    • Represents the junction temperatures of the switching elements
    • T_junctions consists of 2 values, for switch and diode

General (Tab)

  • Control
    • Specifies how switches are controled. It is possible to choose between: Digital inputs, Internal modulator, and Model
    • More details about each type of control can be found in the Control section
  • If Digital inputs is selected as Control, the following properties can be used:
    • S1
      • Digital input that is used to control S1 switch
    • S1_logic
      • Logic that will be applied to control signal for S1
      • Active high or active low
    • Gate control enabling
      • If enabled, gives a possibility to control if changes in the gate control signal are applied or not
    • Sen
      • Available if Gate control enabling is enabled
      • Digital input that enables/disables switching
    • Sen_logic
      • Available if Gate control enabling is enabled
      • Logic that will be applied to Sen signal
  • If Model is selected as Control, the following properties can be used:
    • Execution rate
      • Defines the period between two updates of gate signals for the component. Gate signals are provided as a signal processing input to component
  • If Internal modulator is selected as Control, the following properties can be used:
    • Operation mode
      • Specifies the source of the internal modulator carrier frequency
      • If Operation mode is Fixed carrier frequency, then the frequency can be specified on the component properties
      • If Operation mode is Variable carrier frequency, then the frequency can be specified using a signal processing port
    • Carrier frequency (Hz)
      • Available if the Operation mode is a Fixed carrier frequency
      • Specifies the internal modulator's carrier frequency
    • Carrier phase offset
      • Specifies the internal modulator's carrier phase offset in degrees.
    • Dead time
      • Specifies dead time for the internal modulator in seconds
    • Reference signal [min, max]
      • Specifies carrier signal minimal and maximal value
      • Vector containing two values: the minimal carrier signal value, followed by the maximal carrier signal value
    • Load mode
      • Specifies on which event the new value of the modulation signal will be applied in the internal modulator
        • If on min is selected, new value will be applied when carrier reaches minimal value
        • If on max is selected, new value will be applied when carrier reaches maximal value
        • If on either is selected, new value will be applied when carrier reaches minimal or maximal value

Losses (Tab)

  • Losses calculation
    • Enables/disables losses calculation for converter. More details can be found in the dedicated Losses calculation section.
  • Load data from
    • Available if Losses calculation is enabled
    • Used to select the source of losses data: user tables or standardized xml files. More information about loading losses data can be found in Import power losses data from XML files
  • Switch xml file
    • Available if Losses calculation is enabled and Load data from is set to Xml files
    • Used to load losses data for a switch from an xml file. More information about supported file formats can be found in the Losses calculation section.
  • Diode xml file
    • Available if Losses calculation is enabled and Load data from is set to Xml files
    • Used to load losses data for the diode from an xml file. More information about supported file formats can be found in the Losses calculation section.
  • Current values
    • Available if Losses calculation is enabled and Load data from is set to User tables
    • Vector of current values that are used to specify converter losses at specific points.
    • Up to THCC 2026.1 property would be filled automatically after selecting the xml files
    • After THCC 2026.1, if the xml files are in Table only format and are loaded, the property can be set by pressing the Import losses data from xml files
  • Voltage values
    • Available if Losses calculation is enabled and Load data from is set to User tables
    • Vector of voltage values that are used to specify converter losses at specific points.
    • Up to THCC 2026.1 property would be filled automatically after selecting the xml files
    • After THCC 2026.1, if the xml files are in Table only format and are loaded, the property can be set by pressing the Import losses data from xml files
  • Temp Values
    • Available if Losses calculation is enabled and Load data from is set to User tables
    • Vector of temperature values that are used to specify converter losses at specific points.
    • Up to THCC 2026.1 property would be filled automatically after selecting the xml files
    • After THCC 2026.1, if the xml files are in Table only format and are loaded, the property can be set by pressing the Import losses data from xml files
  • Vt table
    • Available if Losses calculation is enabled and Load data from is set to User tables
    • 2D look up table for switch conduction voltage drop values.
    • Up to THCC 2026.1 property would be filled automatically after selecting the xml files
    • After THCC 2026.1, if the xml files are in Table only format and are loaded, the property can be set by pressing the Import losses data from xml files
    • More information about table formats can be found in the Losses calculation section.
  • Vd table
    • Available if Losses calculation is enabled and Load data from is set to User tables
    • 2D look up table for diode conduction voltage drop values
    • Up to THCC 2026.1 property would be filled automatically after selecting the xml files
    • After THCC 2026.1, if the xml files are in Table only format and are loaded, the property can be set by pressing the Import losses data from xml files
    • More information about table formats can be found in the Losses calculation section
  • Et on table
    • Available if Losses calculation is enabled and Load data from is set to User tables
    • 3D look up table for switch turn on switching losses
    • Up to THCC 2026.1 property would be filled automatically after selecting the xml files
    • After THCC 2026.1, if the xml files are in Table only format and are loaded, the property can be set by pressing the Import losses data from xml files
    • More information about table formats can be found in the Losses calculation section
  • Et off table
    • Available if Losses calculation is enabled and Load data from is set to User tables
    • 3D look up table for switch turn off switching losses
    • Up to THCC 2026.1 property would be filled automatically after selecting the xml files
    • After THCC 2026.1, if the xml files are in Table only format and are loaded, the property can be set by pressing the Import losses data from xml files
    • More information about table formats can be found in the Losses calculation section
  • Ed off table
    • Available if Losses calculation is enabled and Load data from is set to User tables
    • 3D look up table for diode turn off switching losses
    • Up to THCC 2026.1 property would be filled automatically after selecting the xml files
    • After THCC 2026.1, if the xml files are in Table only format and are loaded, the property can be set by pressing the Import losses data from xml files
    • More information about table formats can be found in the Losses calculation section
  • Import losses data from xml files
    • Available if Losses calculation is enabled and if Load data is set to User tables
    • Pressing the button will set the data from the loaded xml files into the properties for losses current, voltage, temperature, voltage drop and energy tables
    • For data to be loaded xml files must be in Table only format
  • Temperatures calculation
    • Available if Losses calculation is enabled
    • Enables/disables losses temperature calculation for converter. Thermal model must be provided. More details can be found in the dedicated Temperatures calculation section.
  • Thermal networks type
    • Available if Temperature calculation is enabled
    • Specifies the type of thermal network model: Foster or Cauer
  • Rth switch
    • Available if Temperature calculation is enabled
    • Switch thermal resistance
    • Vector
  • Tth switch
    • Available if Temperature calculation is enabled and the Thermal network type is Foster
    • Switch thermal time constant
    • Vector
  • Rth diode
    • Available if Temperature calculation is enabled
    • Diode thermal resistance
    • Vector
  • Tth diode
    • Available if Temperature calculation is enabled and the Thermal network type is Foster
    • Diode thermal time constant
    • Vector
  • Cth switch
    • Available if Temperature calculation is enabled and the Thermal network type is Cauer
    • Switch thermal capacitance
    • Vector
  • Cth diode
    • Available if Temperature calculation is enabled and the Thermal network type is Cauer
    • Diode thermal time constant
    • Vector
  • Calculations execution rate
    • Available if Losses calculation or Forward voltage drop is enabled
    • Execution rate for losses calculation. Defines interval that will be used to update losses calculation inputs and outputs.

Extras (Tab)

The Extras tab gives you the opportunity to set Signal Access Management for the component.
Signal visibility is calculated based on the 'signal_access' property and whether or not a parent component in its hierarchy is locked or not. Components that are not contained within locked components expose their signals regardless of the 'signal_access' property. The 'signal_access' property can have one of three values:
  • Public - Components marked as public expose their signals on all levels.
  • Protected - Components marked as protected will hide their signals to components outside of their first locked parent component.
  • Inherit - Components marked as inherit will take the nearest parent 'signal_access' property value that is set to a value other than inherit.