Three Phase Four Winding Transformer

Description of the Three Phase Four Winding Transformer component in Schematic Editor

Component description

Figure 1. Three Phase Four Winding Transformer component in Typhoon HIL Schematic Editor

Three Phase Four Winding Transformer is modeled as three single-phase four winding transformers, meaning that only magnetic coupling between windings of the same phase are taken into account.

The magnetization inductance Lm can be linear or with saturation, it is modeled on the primary side of the transformer. Core losses are modeled as Rm resistance located on the primary side of the transformer. Also, it is possible to neglect Lm and Rm by selecting Lm/Rm neglected in the Core model property. For more informations, please refer to Core model

It should be noted that terminals N1, N2, N3, and N4 can be connected with the rest of the circuit in Schematic Editor only if the corresponding side is wye (Y) connected.

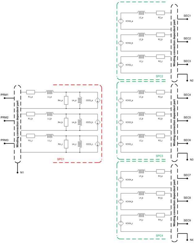
A schematic block diagram of the three-phase four-winding transformer block with corresponding component arrangement and naming is shown in Figure 2.

Figure 2. Schematic block diagram of three phase four winding transformer with corresponding components naming

Internal variables of the transformer are available for observation at the analog outputs. The names of the variables available for observation are divided into three groups to represent each of the three single-phase transformers (1, 2, and 3, respectively).

Embedded coupling

There are two possible options for embedded coupling in the single phase four winding transformer, Ideal Transformer based coupling and TLM coupling.

  • Ideal Transformer Embedded coupling type is ignored in TyphoonSim and will not affect TyphoonSim simulation at all.
  • TLM Embedded coupling type will be replaced with a corresponding inductor in TyphoonSim.

If Embedded coupling is set to Ideal Transformer, Ideal Transformer based coupling will be placed between two windings of transformer.

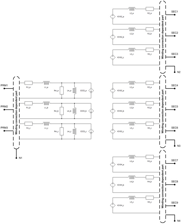
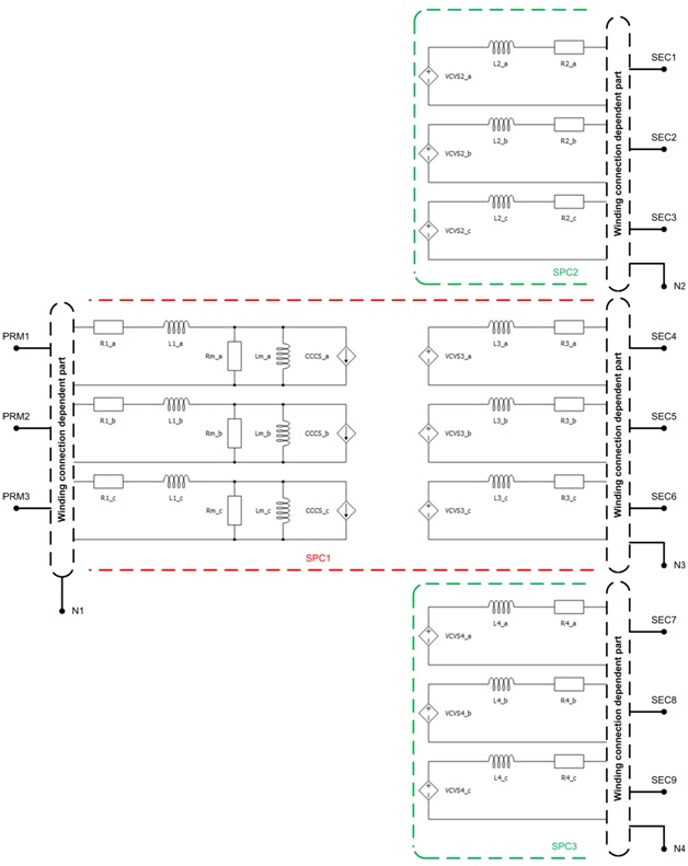
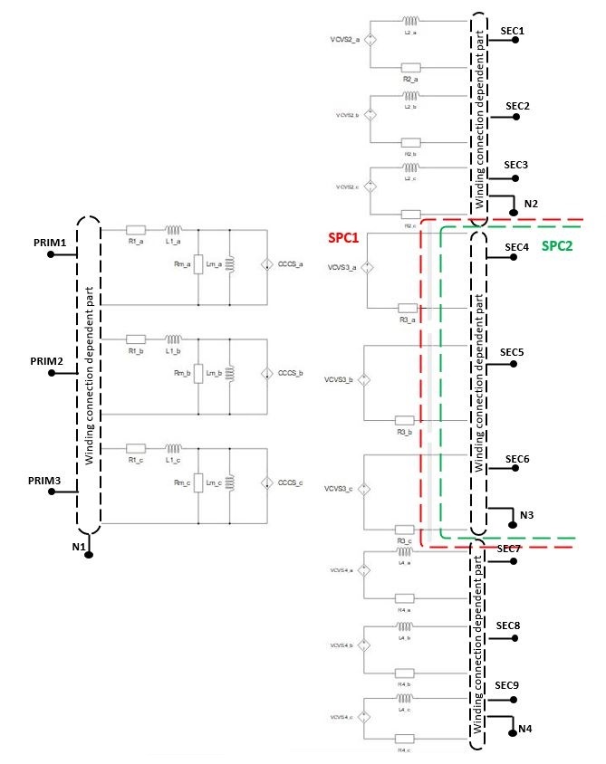
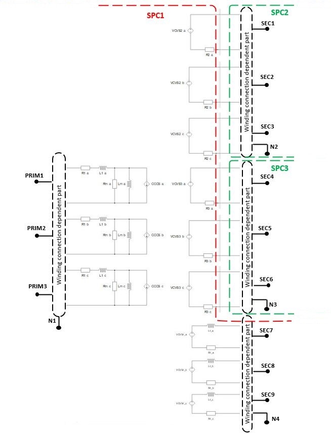
Visual representations of the division of the circuit among standard processing cores are given in:

  • Figure 3 for the case where Embedded coupling 1-3 is set to Ideal Transformer;
  • Figure 4 for the case where Embedded coupling 1-2 and Embedded coupling 1-4 are set to Ideal Transformer;
  • Figure 5 for the case where all Embedded coupling 1-2, Embedded coupling 1-3, and Embedded coupling 1-4 are set to Ideal Transformer.
Figure 3. Representation of circuit division between cores where Embedded coupling 1-3 is set to 'Ideal Transformer'
Figure 4. Representation of circuit division among cores where Embedded coupling 1-2 and Embedded coupling 1-4 are set to 'Ideal Transformer'
Figure 5. Representation of circuit division among cores where Embedded coupling 1-2, Embedded coupling 1-3 and Embedded coupling 1-4 are set to 'Ideal Transformer'

If Embedded coupling is set to TLM, a secondary winding inductor in each phase will be replaced with a TLM Coupling component. Inductance will be divided between coupling and embedded inductors (inductors will be hidden in the TLM). The TLM to embedded inductors ratio can be determined by the compiler, but it can also be specified explicitly. If the Automatic option is selected, the ratio will be determined by discretization method. If the Manual option is selected, the ratio can be explicitly set to meet user requirements. For more information on TLM couplings, please refer to Core couplings - TLM.

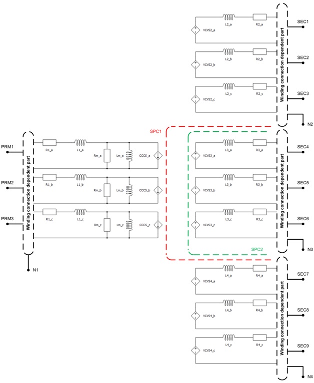
Visual representations of the division of the circuit among standard processing cores are given in:

  • Figure 6 for the case where Embedded coupling 1-3 is set to TLM;
  • Figure 7 for the case where Embedded coupling 1-2 and Embedded coupling 1-3 are set to TLM.
Figure 6. Representation of circuit division between cores where Embedded coupling 1-3 is set to 'TLM'
Figure 7. Representation of circuit division among cores where Embedded coupling 1-2 and Embedded coupling 1-3 are set to 'TLM'

Ports

  • prm_1 (electrical)
    • Primary winding port 1.
  • prm_2 (electrical)
    • Primary winding port 2.
  • prm_3 (electrical)
    • Primary winding port 3.
  • sec_1 (electrical)
    • Secondary winding port 1.
  • sec_2 (electrical)
    • Secondary winding port 2.
  • sec_3 (electrical)
    • Secondary winding port 3.
  • sec_4 (electrical)
    • Secondary winding port 4.
  • sec_5 (electrical)
    • Secondary winding port 5.
  • sec_6 (electrical)
    • Secondary winding port 6.
  • sec_7 (electrical)
    • Secondary winding port 7.
  • sec_8 (electrical)
    • Secondary winding port 8.
  • sec_9 (electrical)
    • Secondary winding port 9.
  • n1 (electrical)
    • Available if Winding 1 connection is set to Y.
    • Winding 1 (primary) neutral port.
  • n2 (electrical)
    • Available if Winding 2 connection is set to Y.
    • Secondary winding 2 neutral port.
  • n3 (electrical)
    • Available if Winding 3 connection is set to Y.
    • Secondary winding 3 neutral port.
  • n4 (electrical)
    • Available if Winding 4 connection is set to Y.
    • Secondary winding 4 neutral port.

General (Tab)

  • Input parameters
    • Specifies parameters format (SI or pu).
  • Sn
    • Nominal Power of the transformer [VA].
  • f
    • Nominal frequency [Hz].
  • V1
    • Rated line to line voltage of primary winding [Vrms].
  • V2
    • Rated line to line voltage of secondary winding [Vrms].
  • V3
    • Rated line to line voltage of third winding [Vrms].
  • V4
    • Rated line to line voltage of forth winding [Vrms].
  • R1
    • Available if Input parameters is set to SI.
    • Resistance of winding 1 (primary) [Ω].
  • r1
    • Available if Input parameters is set to pu.
    • Resistance of winding 1 (primary) [p.u.].
  • L1
    • Available if Input parameters is set to SI.
    • Leakage inductance of winding 1 (primary) [H].
  • l1
    • Available if Input parameters is set to pu.
    • Leakage inductance of winding 1 (primary) [pu].
  • R2
    • Available if Input parameters is set to SI.
    • Resistance of winding 2 [Ω].
  • r2
    • Available if Input parameters is set to pu.
    • Resistance of winding 2 [pu].
  • L2
    • Available if Input parameters is set to SI.
    • Leakage inductance of winding 2 [H].
  • l2
    • Available if Input parameters is set to pu.
    • Leakage inductance of winding 2 [pu].
  • R3
    • Available if Input parameters is set to SI.
    • Resistance of winding 3 [Ω].
  • r3
    • Available if Input parameters is set to pu.
    • Resistance of winding 3 [pu].
  • L3
    • Available if Input parameters is set to SI.
    • Leakage inductance of winding 3 [H].
  • l3
    • Available if Input parameters is set to pu.
    • Leakage inductance of winding 3 [pu].
  • R4
    • Available if Input parameters is set to SI.
    • Resistance of winding 4 [Ω].
  • r4
    • Available if Input parameters is set to pu.
    • Resistance of winding 4 [pu].
  • L4
    • Available if Input parameters is set to SI.
    • Leakage inductance of winding 4 [H].
  • l4
    • Available if Input parameters is set to pu.
    • Leakage inductance of winding 4 [pu].
  • Core model
    • Selects transformer core model implementation.
    • Several levels of model fidelity are available - Linear, Non-Linear or Rm/Lm neglected.
  • Rm
    • Available if Input parameters is set to SI and Core model is set to Linear or Non-Linear.
    • Resistance representing core losses [Ω].
  • rm
    • Available if Input parameters is set to pu and Core model is set to Linear or Non-Linear.
    • Resistance representing core losses [pu].
  • Lm
    • Available if Input parameters is set to SI and Core model is set to Linear.
    • Magnetization inductance [H].
  • lm
    • Available if Input parameters is set to pu and Core model is set to Linear.
    • Magnetization inductance [pu].
  • Flux values
    • Available if Core model is set to Non-Linear.
    • List of magnetic flux values [Wb] or [pu].
  • Current values
    • Available if Core model is set to Non-Linear.
    • List of current values [A] or [pu].

Winding connection (Tab)

  • Winding 1 connection
    • Specifies winding 1 (primary) connection - delta (D) or star (Y).
  • Winding 2 connection
    • Specifies winding 2 connection - delta (D) or star (Y).
  • clk_num_12
    • Determines the phase displacement between voltages of winding 1 and 2.
  • Winding 3 connection
    • Specifies winding 3 connection - delta (D) or star (Y).
  • clk_num_13
    • Determines the phase displacement between voltages of winding 1 and 3.
  • Winding 4 connection
    • Specifies winding 4 connection - delta (D) or star (Y).
  • clk_num_14
    • Determines the phase displacement between voltages of winding 1 and 4.

Coupling (Tab)

  • Ideal Transformer Embedded coupling type is ignored in TyphoonSim and will not affect TyphoonSim simulation at all.
  • TLM Embedded coupling type will be replaced with a corresponding inductor in TyphoonSim.
  • Embedded coupling 1-2
    • Embedded coupling option - inserts a coupling component between winding 1 and 2 - can be set to Ideal Transformer, TLM or None.
  • TLM 1-2/Embedded components ratio
    • Available if Embedded coupling 1-2 is set to TLM.
    • Defines how coupling to embedded inductors ratio will be calculated (automatic or manual). Related to coupling between winding 1 and 2.
  • Embedded coupling 1-3
    • Embedded coupling option - inserts a coupling component between winding 1 and 3 - can be set to Ideal Transformer, TLM or None.
  • TLM 1-3/Embedded components ratio
    • Available if Embedded coupling 1-3 is set to TLM.
    • Defines how coupling to embedded inductors ratio will be calculated (automatic or manual). Related to coupling between winding 1 and 3.
  • Embedded coupling 1-4
    • Embedded coupling option - inserts a coupling component between winding 1 and 4 - can be set to Ideal Transformer, TLM or None.
  • TLM 1-4/Embedded components ratio
    • Available if Embedded coupling 1-4 is set to TLM.
    • Defines how coupling to embedded inductors ratio will be calculated (automatic or manual). Related to coupling between winding 1 and 4.
  • Type of coupling element
    • Available if the corresponding Embedded coupling is set to Ideal Transformer or TLM.
    • Defines whether the inserted coupling element is a core or a device coupling.
    • Device coupling is available if corresponding Embedded coupling is set to Ideal Transformer for all HIL devices except HIL402.
  • Ratio
    • Available if the corresponding Embedded coupling is set to TLM and TLM/Embedded components ratio is set to Manual.
    • Specifies coupling to embedded inductors ratio.