Single Phase Multi-Winding Transformer

Description of the Single Phase Multi-Winding Transformer component in Schematic Editor

Component description

Figure 1. Single Phase Multi-Winding Transformer component in Typhoon HIL Schematic Editor

The Single Phase Multi-Winding Transformer component models two to ten coupled windings on the same core. The magnetization inductance Lm can be linear or with saturation, it is modeled on the primary side of the transformer. Core losses are modeled as Rm resistance located on the primary side of the transformer. Also, it is possible to neglect Lm and Rm by selecting Lm/Rm neglected in the Core model property. For more information, please refer to Core model.

Number of windings - The user can choose the number of windings (2 - 10).

Parameters for secondary side properties (V sec, R sec, L sec, I sec) must be set as a vector with the length of either one or the number of secondary windings.

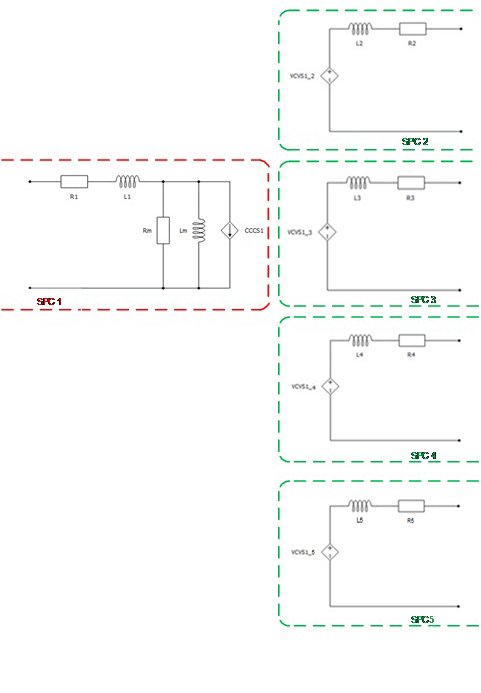
A schematic block diagram of the Single Phase Multi-Winding Transformer (number of windings is set to five) block with the corresponding component arrangement and naming is shown in Figure 2.

Figure 2. The schematic block diagram of Single Phase Multi-Winding Transformer with corresponding component naming

Embedded coupling

There are two possible options for embedded coupling in the single phase four winding transformer, Ideal Transformer based coupling and TLM coupling.

  • Ideal Transformer Embedded coupling type is ignored in TyphoonSim and will not affect TyphoonSim simulation at all.
  • TLM Embedded coupling type will be replaced with a corresponding inductor in TyphoonSim.

If Embedded coupling is set to Ideal Transformer, Ideal Transformer based coupling will be placed between two windings of transformer.

Visual representations of circuit division among standard processing cores are given in:

  • Figure 3 when Embedded coupling 1-3 is set to Ideal Transformer;
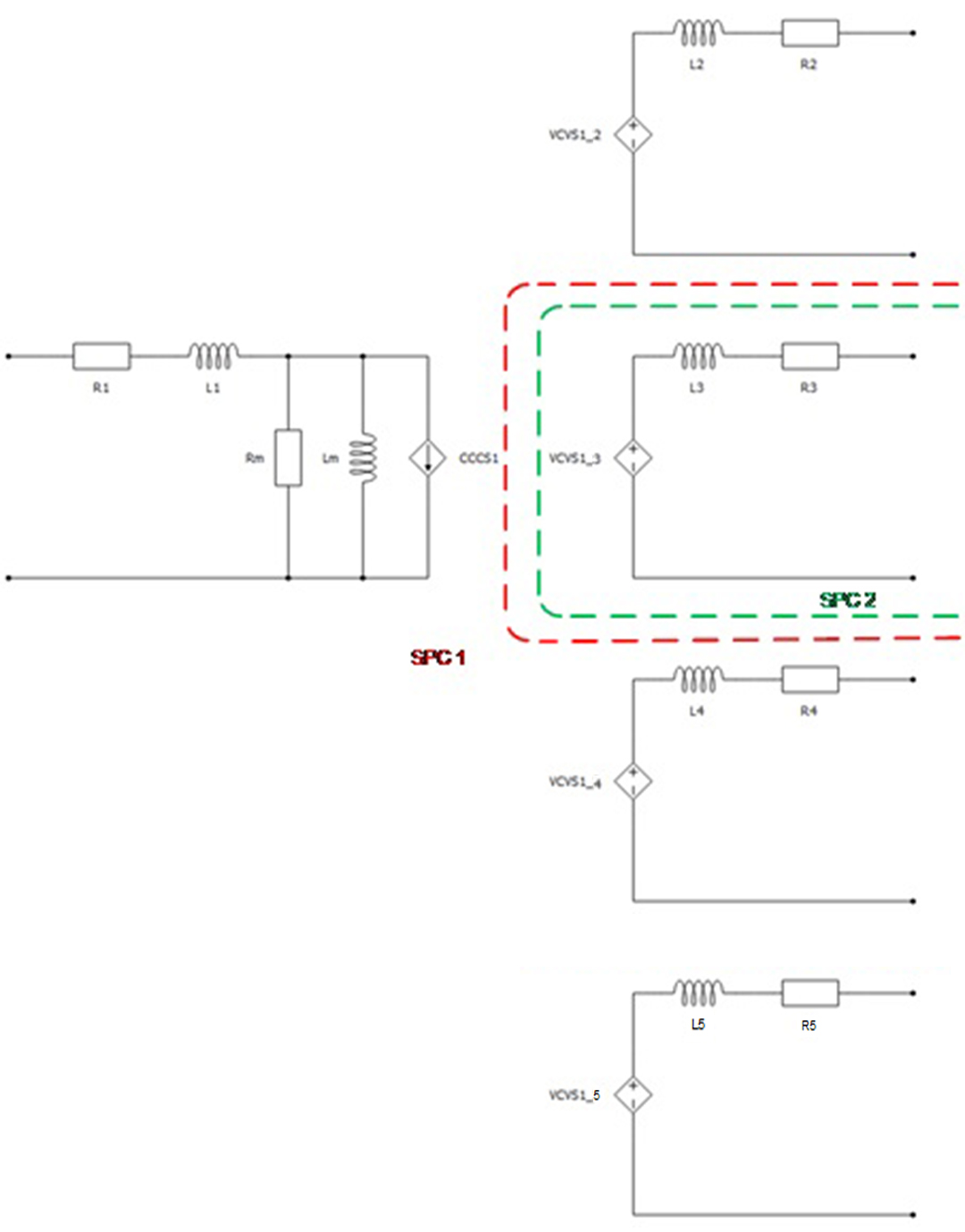
  • Figure 4 when e.g. five embedded couplings are set to Ideal Transformer.
Figure 3. Representation of circuit division between cores where Embedded coupling 1-3 is set to 'Ideal Transformer'
Figure 4. Representation of circuit division among cores where all five couplings are set to 'Ideal Transformer'

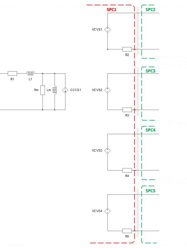
If Embedded coupling is set to TLM, a secondary winding inductor will be replaced with a TLM coupling component. Inductance will be divided between coupling and embedded inductors (inductors will be hidden in the TLM). The TLM to embedded inductors ratio can be determined by the compiler, but it can also be specified explicitly. If the Automatic option is selected, the ratio will be determined by the discretization method. If the Manual option is selected, the ratio can be explicitly set to meet user requirements. For more information on TLM couplings please refer to Core couplings - TLM.

Visual representations of circuit division among standard processing cores are given in:

  • Figure 5 when Embedded coupling 1-3 is set to TLM;
  • Figure 6 when eg. five embedded couplings are set to TLM.
Figure 5. Representation of circuit division between cores where Embedded coupling 1-3 is set to 'TLM'
Figure 6. Representation of circuit division among cores where all five Embedded couplings are set to 'TLM'

Ports

  • prm_1 (electrical)
    • Primary winding port 1.
  • prm_2 (electrical)
    • Primary winding port 2.
  • sec_x (electrical)
    • Secondary winding port x, x∈[1, 3, 5, …,17], depending on number of secondary windings. For every additional secondary winding two ports are created.
  • sec_y (electrical)
    • Secondary winding port y, y∈[2, 4, 6, …,18], depending on number of secondary windings. For every additional secondary winding two ports are created.

General (Tab)

  • Input parameters
    • Specifies parameters format (SI or pu).
  • Number of windings
    • Specifies number of windings on secondary.
  • Sn
    • Available if Input parameters is set to pu.
    • Nominal Power of the transformer [VA].
  • fn
    • Available if Input parameters is set to pu.
    • Nominal frequency [Hz].
  • V prim
    • Rated voltage of primary winding [Vrms].
  • V sec
    • Rated voltage of secondary winding(s) [Vrms].
  • R prim
    • Available if Input parameters is set to SI.
    • Resistance of primary winding [Ω].
  • r prim
    • Available if Input parameters is set to pu.
    • Resistance of primary winding [p.u.].
  • L prim
    • Available if Input parameters is set to SI.
    • Leakage inductance of primary winding [H].
  • l prim
    • Available if Input parameters is set to pu.
    • Leakage inductance of primary winding [pu].
  • I prim
    • Available if Input parameters is set to SI.
    • Initial current of primary winding [A].
  • i prim
    • Available if Input parameters is set to pu.
    • Initial current of primary winding [pu].
  • R sec
    • Available if Input parameters is set to SI.
    • Resistance of secondary winding(s) [Ω].
  • r sec
    • Available if Input parameters is set to pu.
    • Resistance of secondary winding(s) [p.u.].
  • L sec
    • Available if Input parameters is set to SI.
    • Leakage inductance of secondary winding(s) [H].
  • l sec
    • Available if Input parameters is set to pu.
    • Leakage inductance of secondary winding(s) [pu].
  • I sec
    • Available if Input parameters is set to SI.
    • Initial current of secondary winding(s) [A].
  • i sec
    • Available if Input parameters is set to pu.
    • Initial current of secondary winding(s) [pu].
  • Core model
    • Selects transformer core model implementation.
    • Several levels of model fidelity are available - Linear, Non-Linear, or Rm/Lm neglected.
  • Rm
    • Available if Input parameters is set to SI and Core model is set to Linear or Non-Linear.
    • Resistance representing core losses [Ω].
  • rm
    • Available if Input parameters is set to pu and Core model is set to Linear or Non-Linear.
    • Resistance representing core losses [pu].
  • Lm
    • Available if Input parameters is set to SI and Core model is set to Linear.
    • Magnetization inductance [H].
  • lm
    • Available if Input parameters is set to pu and Core model is set to Linear.
    • Magnetization inductance [pu].
  • Lm flux
    • Available if Input parameters is set to SI and Core model is set to Non-Linear.
    • List of magnetic flux values [Wb].
  • lm flux
    • Available if Input parameters is set to pu and Core model is set to Non-Linear.
    • List of magnetic flux values [pu].
  • Lm current
    • Available if Input parameters is set to SI and Core model is set to Non-Linear.
    • List of current values [A].
  • lm current
    • Available if Input parameters is set to pu and Core model is set to Non-Linear.
    • List of current values [pu].

Coupling (Tab)

  • Ideal Transformer Embedded coupling type is ignored in TyphoonSim and will not affect TyphoonSim simulation at all.
  • TLM Embedded coupling type will be replaced with a corresponding inductor in TyphoonSim.
  • Embedded coupling 1-x
    • Embedded coupling option - inserts a coupling component between primary winding and winding x, x being number of the winding at the secondary.
    • Can be set to Ideal Transformer, TLM, or None.
  • TLM 1-x/Embedded components ratio
    • Available if corresponding Embedded coupling 1-x is set to TLM.
    • Defines how coupling to embedded inductors ratio will be calculated (automatic or manual). Related to coupling between winding 1 and x.
  • Ratio
    • Available if corresponding Embedded coupling 1-x is set to TLM and TLM/Embedded components ratio is set to Manual.
    • Specifies coupling to embedded inductors ratio.