Single Phase Two Winding Transformer

Description of the Single Phase Two Winding Transformer component in Schematic Editor

Component description

Figure 1. Single Phase Two Winding Transformer component in Typhoon HIL Schematic Editor

Single Phase Two Winding Transformer models two coupled windings on the same core. The magnetization inductance Lm can be linear or with saturation, it is modeled on the primary side of the transformer. Core losses are modeled as Rm resistance located on the primary side of the transformer. Also, it is possible to neglect Lm and Rm by selecting Lm/Rm neglected in the Core model property. Finally, Hysteresis can also be simulated for slower dynamics. For more information, please refer to the Core model section.

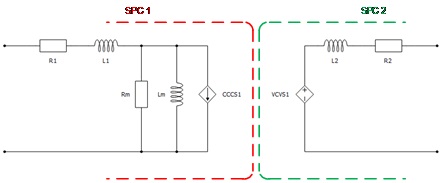
A schematic block diagram of the single phase two winding transformer block with the corresponding component arrangement and naming is shown in Figure 2.

Figure 2. The schematic block diagram of a Single Phase Two Winding Transformer with corresponding components naming

Embedded coupling

There are two possible options for embedded coupling in Single Phase Two Winding Transformer: Ideal Transformer based coupling and TLM coupling.

  • Ideal Transformer Embedded coupling type is ignored in TyphoonSim and will not affect TyphoonSim simulation at all.
  • TLM Embedded coupling type will be replaced with a corresponding inductor in TyphoonSim.

If Embedded coupling is set to Ideal Transformer, Ideal Transformer based coupling will be placed between two windings of transformer. In Figure 3 is given a schematic representation of the transformer's equivalent circuit when Embedded coupling is set to Ideal Transformer.

Figure 3. Schematic block diagram of a Single Phase Two Winding Transformer with an inserted Ideal Transformer based coupling component

If Embedded coupling is set to TLM, a secondary winding inductor (L2) will be replaced with TLM coupling component. Inductance will be divided between coupling and embedded inductors (inductors will be hidden in the TLM). TLM to embedded inductors ratio can be determined by compiler, but also it can be specified explicitly. If the Automatic option is selected, the ratio will be determined by the discretization method. If the Manual option is selected, the ratio can be explicitly set to meet user requirements. For more information on TLM couplings, please refer to Core couplings - TLM. In Figure 4 is given a schematic representation of the transformer's equivalent circuit when Embedded coupling is set to TLM.

Figure 4. The schematic block diagram of a single-phase two-winding transformer with inserted TLM coupling component

Ports

  • prm_1 (electrical)
    • Primary (current source side) winding port 1.
  • prm_2 (electrical)
    • Primary (current source side) winding port 2.
  • sec_1 (electrical)
    • Secondary (voltage source side) winding port 1.
  • sec_2 (electrical)
    • Secondary (voltage source side) winding port 2.

General (Tab)

  • Input parameters
    • Specifies parameters format (SI, pu, or SC and OC tests).
  • V1
    • Rated line to line voltage of primary winding [Vrms].
  • V2
    • Rated line to line voltage of secondary winding [Vrms].
  • R1
    • Available if Input parameters is set to SI.
    • Resistance of primary winding [Ω].
  • L1
    • Available if Input parameters is set to SI.
    • Leakage inductance of primary winding [H].
  • l1
    • Available if Input parameters is set to SI.
    • Initial current of primary winding [A].
  • R2
    • Available if Input parameters is set to SI.
    • Resistance of secondary winding [Ω].
  • L2
    • Available if Input parameters is set to SI.
    • Leakage inductance of secondary winding [H].
  • I2
    • Available if Input parameters is set to SI.
    • Initial current of secondary winding [A].
  • Core model
    • Selects transformer Core model implementation.
    • Several levels of model fidelity are available - linear, Non-Linear,Rm/Lm neglected or Hysteresis.
  • Rm
    • Available if Input parameters is set to SI and Core model is set to Linear or Non-Linear or Hysteresis.
    • Resistance representing the iron core losses [Ω].
  • Lm
    • Available if Input parameters is set to SI and Core model is set to Linear.
    • Magnetization inductance [H].
  • Sn
    • Available if Input parameters is set to pu or SC and OC test.
    • Nominal Power of the transformer [VA].
  • fn
    • Available if Input parameters is set to pu or SC and OC test.
    • Nominal frequency [Hz].
  • r1
    • Available if Input parameters is set to pu.
    • Resistance of primary winding [pu].
  • l1
    • Available if Input parameters is set to pu.
    • Leakage inductance of primary winding [pu].
  • i1
    • Available if Input parameters is set to pu.
    • Initial current of primary winding [pu].
  • r2
    • Available if Input parameters is set to pu.
    • Resistance of secondary winding [pu].
  • l2
    • Available if Input parameters is set to pu.
    • Leakage inductance of secondary winding [pu].
  • i2
    • Available if Input parameters is set to pu.
    • Initial current of secondary winding [pu].
  • rm
    • Available if Input parameters is set to pu and Core model is set to Linear, Non-Linear, or Hysteresis.
    • Resistance representing core losses [pu].
  • lm
    • Available if Input parameters is set to pu and Core model is set to Linear.
    • Magnetization inductance [pu].
  • lm flux
    • Available if Core model is set to Non-Linear or Hysteresis and Input parameters is set to pu.
    • Vector of magnetic flux values [pu].
  • lm current
    • Available if Core model is set to Non-Linear or Hysteresis and Input parameters is set to pu.
    • Vector of current values [pu].
  • Lm flux
    • Available if Core model is set to Non-Linear or Hysteresis and Input parameters is set to SI.
    • Vector of magnetic flux values [A].
  • Lm current
    • Available if Core model is set to Non-Linear or Hysteresis and Input parameters is set to SI.
    • Vector of current values [A].
  • usc1
    • Available if Input parameters is set to SC and OC tests.
    • Positive sequence short circuit voltage
  • Psc1
    • Available if Input parameters is set to SC and OC tests.
    • Positive sequence short circuit losses [W]
  • Hysteresis flux
    • Available if Core model is set to Hysteresis and Input parameters is set to SI or pu.
    • Vector of magnetizing flux values for upper curve of hysteresis
  • Hysteresis flux values
    • Available if Core model is set to Hysteresis and Input parameters is set to SC and OC tests.
    • Vector of magnetizing flux values for upper curve of hysteresis
  • ioc1
    • Available if Input parameters is set to SC and OC tests and Core model is set to Linear, Non-Linear or Hysteresis.
    • Positive sequence no load excitation current.
  • Poc1
    • Available if Input parameters is set to SC and OC tests and Core model is set to Linear, Non-Linear, or Hysteresis.
    • Positive sequence no load losses [W]
  • Flux values
    • Available if Input parameters is set to SC and OC tests and Core model is set to Hysteresis or Non-Linear.
    • Vectors of flux values [pu]
  • Current values
    • Available if Input parameters is set to SC and OC tests and Core model is set to Hysteresis or Non-Linear.
    • Vector of current values [pu]
  • Execution rate
    • Available if Core model is set to Hysteresis.
    • Defines the execution rate of measurement and signal processing components.

Coupling (Tab)

  • Ideal Transformer Embedded coupling type is ignored in TyphoonSim and will not affect TyphoonSim simulation at all.
  • TLM Embedded coupling type will be replaced with a corresponding inductor in TyphoonSim.
  • Embedded coupling
    • Inserts a coupling component in transformer - can be set to Ideal Transformer or TLM.
    • You can read more information about Embedded coupling in the Embedded coupling section
  • Type of coupling element
    • Available if Embedded coupling is set to Ideal Transformer or TLM.
    • Defines whether the inserted coupling component is a core or a device coupling. Only one of the inserted coupling components can be a device coupling.
    • Device coupling is available only for Ideal Transformer based coupling.
  • TLM/Embedded components ratio
    • Available if Embedded coupling is set to TLM.
    • Defines how coupling to embedded inductors ratio will be calculated- can be set to Manual or Automatic
  • Ratio
    • Available if TLM/Embedded components ratio is set to Manual.
    • Used to specify coupling to embedded inductors ratio