Single-phase Variable Load

Description of the Single-phase Variable Load component in Schematic Editor.

Figure 1. Component Icon

Description

The Single-phase Variable Load component, is a Schematic Editor library block from the Loads section, of the Microgrid library. This component is based on variable impedance, built using variable passive components. It supports distorted voltage on its terminals, meaning it will consume the demanded power when distortions appear. There are two options for providing the references:
  • Internal: Through SCADA inputs which are located inside of the component
  • External: By using signal processing to calculate the references and provide those as signal processing inputs. Enabled by checking the corresponding property in the Tab: "Inputs/Outputs".

Control algorithm of a Single-phase Variable Load

The control algorithm is based on feed-forward control. Grid voltage is measured and, based on that voltage and the reference power input, the required impedance value is calculated and the appropriate contactors are controlled. A single-phase PLL is used in order to synchronize with the grid and extract the exact value of voltage amplitude and frequency. Synchronization with the grid is a necessary condition for the load to connect to the grid, meaning that there might be some delay between the enabling command and the load connection. When compared to some form of closed loop control, such as the one used in VBR Variable Load, this control approach provides several advantages:
  • It's more robust: Its operation is mostly independent of the grid dynamics and it is less sensitive to grid events.
  • It has no overshoot: Since it's based on a calculation, rather than a closed loop system, it does not exhibit overshoot and bandwidth issues.
Disadvantages of this control approach:
  • Steady-state error: Since there is no closed-loop feedback, it is not ensured that steady-state error in power measurements is equal to zero. However, calculations are designed in such a way that the steady-state error should remain reasonably small even under distorted voltage conditions.
  • Electrical solver resources utilization: Since the component is comprised of several variable elements, it requires a significant amount of electrical solver resources.
  • Necessity for snubber elements: In order to ensure the numerical stability of the circuit, snubber elements are added. Active power consumption of the snubber circuit represents the minimum active power that can be consumed by the load.

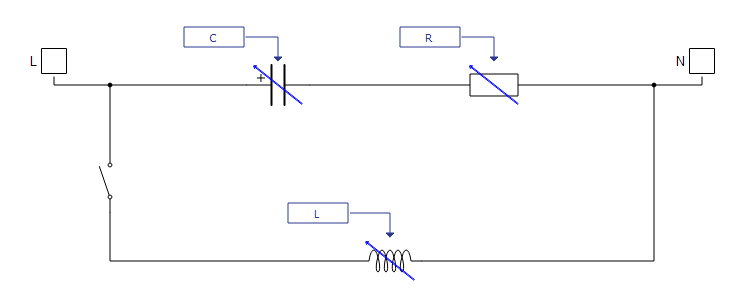
Single-phase Variable Load schematic block diagram

The component consists of an electrical part that consists of series RC connection in parallel with an inductance, as shown in Figure 2.

Figure 2. Single-phase core schematic block diagram

Component dialogue box and parameters

The Single-phase Variable Load component dialogue box consists of three tabs for specifying parameters of the component.

Tab: "General"

In this component tab, general parameters of the Single-phase Variable Load can be specified.

Table 1. Single-phase Variable Load "General" parameters description
Parameter Name Description
Nominal voltage Vnom_rms Load nominal voltage. [V]
Nominal frequency fnom Load nominal frequency. [Hz]
Nominal apparent power Snom Load nominal apparent power. [VA]
Nominal power factor pf_nom Load nominal power factor.
Distorted voltage support include_harmonic Enable distorted voltage support.
Harmonic order list harmonic_list List of harmonic order values that are expected to be present in the grid voltage.
Execution rate execution_rate Execution rate of the internal signal processing. [s]
CPU core hil_cpu_core_id Mapping CPU for signal processing components.

Tab: "Advanced snubber options"

In this component tab, additional parameters that are related to the Load's snubber can be specified.

Table 2. Single-phase Variable Load "Advanced snubber options" parameters description
Parameter Name Description
Snubber apparent power Z_ind_pu Apparent power that snubber consumes. [pu]
Power factor of snubber pf_snubber Power factor of the snubber.

Tab: "Inputs/Outputs"

In this component tab, external inputs/outputs can be enabled.

Table 3. Single-phase Variable load "Inputs/Outputs" parameters description
Parameter Name Description
Enable external references enable_ext_ref Enable external control mode.
Enable output vector enable_outputs Enable output vector with measurements.

Single-phase Variable Load inputs and outputs

When the external control mode is enabled, the appropriate signal processing ports appear on the left side of the component. Available inputs are given in Table 4.

Available outputs are given in Table 5. These measurements are available through probes inside of the component, but can also be available as an output vector with 6 elements.

Table 4. Single-phase Variable Load user interface inputs
Number Input Description Signal range Default value
0 Enable A digital input that enables the load. The load is enabled when the input value is high. 0 or 1 0
1 Pref An analog input that sets the active power consumption reference. [pu] 0 to 1 0.5
2 Qref An analog input that sets the reactive power consumption reference. [pu] 0 to 1 0.5
3 ROC An analog input that sets the rate of change of the power reference ramping. [pu/s] >= 0.001 5
Table 5. Single_phase Variable load user interface outputs
Number Output Description
0 Enable_fb A digital output describing the load's enable/disable state. The load is enabled if the output is high.
1 MCB_status A digital output reporting the information about the state of the main circuit breaker (contactor). The contactor is closed if the value is high.
2 Pref_fb_kW An analog output with the value of the applied active power reference in the load. [kW]
3 Qref_fb_kVAr An analog output with the value of the applied reactive power reference in the load. [kVAr]
4 Pmeas_kW An analog output reporting the value of the active power output of the load. [kW]
5 Qmeas_kVAr An analog output reporting the value of the reactive power output of the load. [kVAr]
6 V Voltage measurement.
7 I Current measurement.

A dedicated Library Widget for controlling the Single-phase Variable Load component is available.

Figure 3. Single-phase Variable Load Library widget
Note: If external control mode is chosen for load, action widgets are disabled.