Feeder protection relay (example)

Description of the feeder protection relay (example) component with implemented ANSI protective functions.

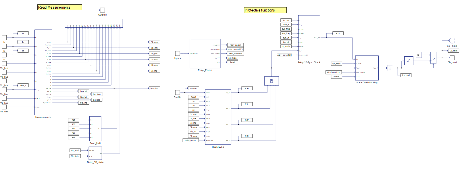
The Schematic Editor library block from the Microgrid section shown in Table 1, models a feeder protection relay (example) component implemented with the ANSI protective functions:
  • 25 - synchronism check (reconnection)
  • 27 - undervoltage (trip)
  • 50 - instantaneous overcurrent (trip)
  • 51 - inverse time overcurrent (trip)
  • 59 - overvoltage (trip)
Table 1. Feeder protection relay (example) component in the Schematic Editor core library
component component dialog window component parameters

Feeder Protection Relay (example)

  • Property tabs:
    • Base Parameters
    • Grid Tied Parameters
    • Islanded Parameters

Inputs and outputs

Figure 1. Feeder protection relay (example) component view under its mask.
The feeder protection relay (example) component has three categories of inputs. They are:
  • Enable - single input
  • Voltage and current measurements - one input per measurement
  • Control/communications - single array input

Table 2 and Table 3 describe the inputs in more details.

Table 2. Feeder protection relay (example) component basic inputs
Input Description
Enable Digital input that turns on/off the relay. The relay is operating when input is high.
Ia Analog input with the measurement of the current that goes through the circuit breaker on phase A [A]
Ib Analog input with the measurement of the current that goes through the circuit breaker on phase B [A]
Ic Analog input with the measurement of the current that goes through the circuit breaker on phase C [A]
Va_bus Analog input with the measurement of the voltage of the bus (upstream) side on phase A [V]
Vb_bus Analog input with the measurement of the voltage of the bus (upstream) side on phase B [V]
Vc_bus Analog input with the measurement of the voltage of the bus (upstream) side on phase C [V]
Va_line Analog input with the measurement of the voltage of the line (downstream) side on phase A [V]
Vb_line Analog input with the measurement of the voltage of the line (downstream) side on phase B [V]
Vc_line Analog input with the measurement of the voltage of the line (downstream) side on phase C [V]

The number of control/communication inputs is 3 and they must be sent as an array, with use of a Bus Join component, and in the correct order. Table 3 describe the inputs and their order.

Table 3. Feeder protection relay (example) component control/communication inputs
Number Output Description
0 op_mode Three-level input that defines the relay operation mode:
  • 0 - All protective functions active.
  • 1 - Only synch check protection active.
  • 2 - Force circuit breaker open.
1 Reset Digital input that resets the relay at every signal level change.
2 protect_mode Digital input that defines the relay parameters according to the protection mode:
  • 0 - Use grid tied parameters.
  • 1 - Use islanded parameters.

The feeder protection relay (example) component has two categories of outputs. They are:

  • Control - single output
  • Measurements - single array output

Table 4 and Table 5 describe the outputs in more details.

Table 4. Feeder protection relay (example) component control output
Output Description
CB_cmd Digital output that commands the circuit breaker (contactor component). The circuit breaker must close when this output is high.

The number of measurement outputs is 19. They are organized as an array and can be accessed individually through a Bus Split component, respecting the correct order. Table 5 describes the outputs and their order.

Table 5. Feeder protection relay (example) component measurement outputs
Number Output Description
0 Va_RMS RMS bus voltage measurement of the relay phase A [V]
1 Va_Phase Phase measurement of the bus voltage on phase A [degrees]. This is the reference for angle measurements, thus this output is zero.
2 Vb_RMS RMS bus voltage measurement of the relay phase B [V]
3 Vb_Phase Phase measurement of the bus voltage on phase B when compared to the bus voltage on phase A [degrees]
4 Vc_RMS RMS bus voltage measurement of the relay phase C [V]
5 Vc_Phase Phase measurement of the bus voltage on phase C when compared to the bus voltage on phase A [degrees]
6 Ia_RMS RMS current measurement of the relay phase A [V]
7 Ia_Phase Phase measurement of the current on phase A when compared to the bus voltage on phase A [degrees]
8 Ib_RMS RMS current measurement of the relay phase B [V]
9 Ib_Phase Phase measurement of the current on phase A when compared to the bus voltage on phase A [degrees]
10 Ic_RMS RMS current measurement of the relay phase C [V]
11 Ic_Phase Phase measurement of the current on phase C when compared to the bus voltage on phase A [degrees]
12 P Analog output with the measurement of the active power flow across the relay [W]
13 Q Analog output with the measurement of the reactive power flow across the relay [VAr]
14 S Analog output with the measurement of the apparent power flow across the relay [VA]
15 pf Analog output with the measurement of the power factor across the relay.
16 bus_freq Analog output with the electrical frequency measurement of the relay's bus side
17 Protection function status Analog output with the protective function status feedback. This output, if converted to base two (5 bits), will indicate the status of the functions in the following order (most to least significant bit):
  • 1 - overvoltage (trip on high level)
  • 2 - under voltage (trip on high level)
  • 3 - inverse time overcurrent (trip on high level)
  • 4 - instant overcurrent (trip on high level)
  • 5 - synch check (connect on high level)
18 Circuit Breaker status Analog output with circuit breaker status feedback. This output, if converted to base two (3 bits), will indicate the statuses in the following order (most to least significant bit):
  • 1 - circuit breaker is closed (true on high)
  • 2 - circuit breaker is not closed (true on high)
  • 3 - circuit breaker is commanded to close (true on high)

Component dialogue box and parameters

The feeder protection relay (example) component dialogue box consists of three tabs for specifying basic parameters.

Tab: "Base Parameters"

In this component tab, base parameters of the feeder protection relay (example) component can be specified.

Figure 2. Feeder protection relay (example) component "Base Parameters" tab
Table 6. Feeder protection relay (example) component "Base Parameters" tab
Parameter Code name Description
Line to Line RMS voltage VRMSLL Nominal line to line RMS voltage of the relay [V]
Voltage deviation threshold dV_threshold Accepted difference of the voltages on each side of the circuit breaker when compared to a percentage of the nominal voltage [%]
Angle deviation threshold angle_threshold Accepted phase difference between the voltages on each side of the contactor [degrees]
Frequency deviation threshold dF_threshold Accepted frequency difference between voltages on each side of the contactor [Hz]
R27 UV and R59 OV trip delay R27P_R59P_tripDelay Time delay to trip when of the occurrence of under voltage (R27) or overvoltage (R59) [s]
CT primary turns number CT_primary Number of turns of the primary winding of the current transformer
Initial relay status Initial_status Digital parameter that sets the circuit breaker initial state. The circuit breaker is closed when the parameter is high.
Execution rate Ts Execution rate of all signal processing components of the feeder protection relay [s]

Tab: "GridTied Parameters"

In this component tab, the user can specify grid tied parameters of the feeder protection relay (example) component.

Figure 3. Feeder protection relay (example) component "GridTied Parameters" tab
Table 7. Feeder protection relay (example) component "GridTied Parameters" tab
Parameter Code name Description
R50 IOC trip pickup 1 R50P_pickup1 Current threshold that triggers the instantaneous overcurrent protection when in grid tied mode [A]. The current is referred to the secondary side of the current transformer. The number of turns on the secondary winding is 5.
R50 IOC trip delay 1 R50P_tripDelay1 Time delay to trip by instantaneous over current protection when in grid tied mode [s]
R51 TOC trip pickup 1 R51P_pickup1 Current threshold that triggers the inverse time overcurrent protection when in grid tied mode [A]. The current is referred to the secondary side of the current transformer. The number of turns on the secondary winding is 5.
R51 TOC curve type 1 R51P_curveType1 A four-level parameter that defines which trip curve type to use with the inverse time overcurrent protection when in grid tied mode. For the following inputs, the curve parameters are:
  • 1 - A = 0.0104; B = 0.0226; P = 0.02;
  • 2 - A = 5.95; B = 0.180; P = 2.0;
  • 3 - A = 3.88; B = 0.180; P = 2.0;
  • Else - A = 5.67; B = 0.0352; P = 2.0;
R51 TOC time dial 1 R51P_curveType1 Time dial to be used in the calculation of the trip curve for the inverse time overcurrent protection when in grid tied mode
R27 UV trip pickup 1 R27P_pickup1 Voltage threshold that triggers the under voltage protection when in grid tied mode [p.u.]
R59 OV trip pickup 1 R59P_pickup1 Voltage threshold that triggers the overvoltage protection when in grid tied mode [p.u.]

Tab: "Islanded Parameters"

In this component tab, islanded parameters of the feeder protection relay (example) component can be specified.

Figure 4. Feeder protection relay (example) component "Islanded Parameters" tab
Table 8. Feeder protection relay (example) component "Islanded Parameters" tab
Parameter Code name Description
R50 IOC trip pickup 2 R50P_pickup2 Current threshold that triggers the instantaneous overcurrent protection when in islanded mode [A]. The current is referred to the secondary side of the current transformer. The number of turns on the secondary winding is 5.
R50 IOC trip delay 2 R50P_tripDelay2 Time delay to trip by instantaneous over current protection when in islanded mode [s]
R51 TOC trip pickup 2 R51P_pickup2 Current threshold that triggers the inverse time overcurrent protection when in islanded mode [A]. The current is referred to the secondary side of the current transformer. The number of turns on the secondary winding is 5.
R51 TOC curve type 2 R51P_curveType2 A four-level parameter that defines which trip curve type to use with the inverse time overcurrent protection when in islanded mode. For the following inputs, the curve parameters are:
  • 1 - A = 0.0104; B = 0.0226; P = 0.02;
  • 2 - A = 5.95; B = 0.180; P = 2.0;
  • 3 - A = 3.88; B = 0.180; P = 2.0;
  • Else - A = 5.67; B = 0.0352; P = 2.0;
R51 TOC time dial 2 R51P_curveType2 A time dial to be used in the calculation of the trip curve for the inverse time overcurrent protection when in islanded mode.
R27 UV trip pickup 2 R27P_pickup2 Voltage threshold that triggers the under voltage protection when in islanded mode [p.u.]
R59 OV trip pickup 2 R59P_pickup2 Voltage threshold that triggers the overvoltage protection when in islanded mode [p.u.]

The inverse time overcurrent trip curve is defined by:

t r i p T i m e = t i m e D i a l * B + A M P - 1

where:
  • tripTime is the time delay to trip by the inverse time over current protection.
  • M is the ratio between the measured current and the current threshold.
  • timeDial, A, B and P are parameters defined by the mask.

Example

Overall behavior and control methodologies can be better understood with the use of the following feeder protection relay example:

Model name: feeder_protection_relay.tse

SCADA interface: SCADA_Panel.cus

Path: /examples/models/microgrid/feeder_protection_relay/