Alignment commands

Supports organizing model items using alignment and distribution commands.

Accessing the alignment commands

The commands are accessible in the Align selection... submenu in the context menu (by right clicking on the schematic), in the Edit menu, and on the Schematic Editor's toolbar under the Alignment icon. The commands are enabled when there is a selection of items of at least two of the following: Components, Tags, Component Ports, Schematic areas, and/or Schematic comments.

Note: When none of the commands are enabled, the submenu Align selection... in the context menu won't be available.

Behavior of the alignment commands

  • Align left
    • Aligns item selection to the left side of the selected item box.
    • When run by clicking the right mouse button, the clicked model item will be considered as a reference and the axis of alignment will be one of the sides of the reference. Otherwise, the reference will be the left and upper-most item.
  • Align right
    • Aligns item selection to the right side of the selected item.
    • When run by clicking the right mouse button, the clicked model item will be considered as a reference and the axis of alignment will be one of the sides of the reference. Otherwise, the reference will be the left and upper-most item.
  • Align top
    • Aligns item selection to the upper side of the selected item.
    • When run by clicking the right mouse button, the clicked model item will be considered as a reference and the axis of alignment will be one of the sides of the reference. Otherwise, the reference will be the left and upper-most item.
  • Align bottom
    • Aligns item selection to the lower side of the selected item.
    • When run by clicking the right mouse button, the clicked model item will be considered as a reference and the axis of alignment will be one of the sides of the reference. Otherwise, the reference will be the left and upper-most item.
  • Align center horizontally
    • Aligns item selection horizontally to the center of the selected item.
    • When run by clicking the right mouse button, the clicked model item will be considered as a reference and the axis of alignment will be the center of the reference. Otherwise, the reference will be the left and upper-most item.
  • Align center vertically
    • Aligns item selection vertically to the center of the selected item.
    • When run by clicking the right mouse button, the clicked model item will be considered as a reference and the axis of alignment will be the center of the reference. Otherwise, the reference will be the left and upper-most item.
  • Distribute horizontally
    • Spaces the item selection evenly with respect to the centers in the horizontal direction.
    • The items are not moved in the opposite direction.
  • Distribute vertically
    • Spaces the item selection evenly with respect to the centers in the vertical direction.
    • The items are not moved in the opposite direction.

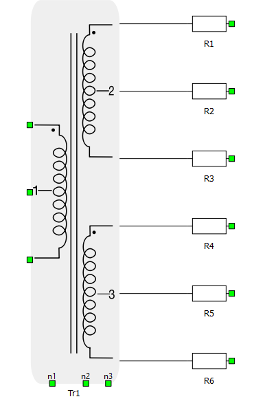
Example

Add a Resistor, and five copies of it, to the side of a Three Phase Three Winding Transformer, shown in Figure 1.
Figure 1. Initial setup
Then, move the Resistor R6 to the bottom to define the breadth of the distribution.
Figure 2. Moving the Resistor
After selecting the six Resistors, use the command Distribute vertically, which will spread evenly the resistors in the selection. Notice the horizontal placement does not change, and that the order in the vertical axis is preserved.
Figure 3. Distributing the Resistors
With the same selection, use the command Align center vertically.
Figure 4. Aligning the Resistors vertically
Then, select all items, and use the command Automatically connect selected items, from the context menu.
Figure 5. Connecting the Resistors to the transformer
If connections should exit orthogonally, move Resistor R6 to the right, then select all the Resistors, and use the command Distribute horizontally.
Figure 6. Distributing Resistors horizontally