Irregular Model Example

Example of a model where circuit partitioning is needed to compile the model in real-time.

Real-time only: This document is valid only for real-time/VHIL simulation.

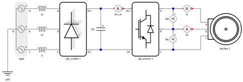
The model depicted in Figure 1 will fail to compile due to too high overall weight of converters in a single sub-circuit. The issue can be fixed by dividing the circuit into two sub-circuits where each sub-circuit holds only one converter as depicted in Figure 2.

Figure 1. Irregular example: the overall weight of converters in the sub-circuit is 6
Figure 2. Fixed model: the overall weight of converters per sub-circuit is 3