DC Meter
Description of the DC Meter component in Schematic Editor Library

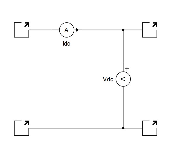
DC Meter is a Schematic Editor component composed of a voltage and a current measurement. The internal structure of the grid simulator is shown in Figure 2.
Internal analog measurements of the DC Meter component
| Analog output variable name | Description |
|---|---|
| (name).Idc | DC current |
| (name).Vdc | DC voltage |